wstecz
konstrukcje - poprzednia
wstecz
wróć na początek
wstecz
konstrukcje - następna


DC01 - zasada działania - przydatne linki źródłowe
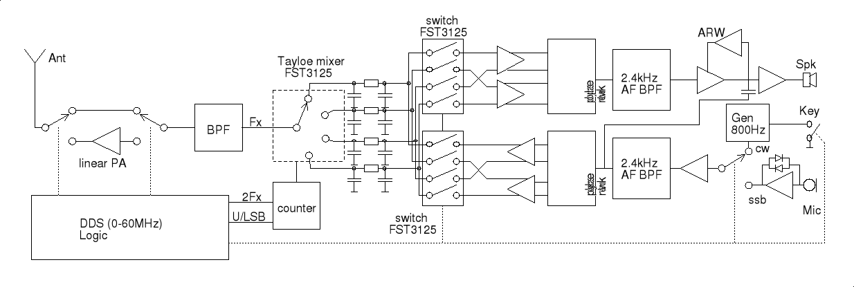
Układy DC (Direct Conversion - czyli z przemianą bezpośrednią) znane są od dość dawna choć dopiero ostatnio postęp w elektronice oraz technice odbioru spowodowały renesans tej konstrukcji. Wykorzystanie DC można spotkać w różnych wersjach, od konstrukcji czysto amatorskich przez systemy ze szczątkowym torem odbiorczym i obróbką cyfrową sygnału w PC (Software Defined Radio) aż do profesjonalnych rozwiązań w telefonii komórkowej. Ostatnio 'przebojem' w amatorskich rozwiązaniach tego rodzaju jest użycie cyfrowego mieszczacza opatentowanego przez Dan Tayloe. Istotą rozwiązania jest wydzielenie z odbieranego sygnału w.cz składowej m.cz. przez zmieszanie z sygnałem o częstotliwości zbliżonej do częstotliwości w.cz. oraz odpowiednie zsumowanie powstałych produktów przemiany w sposób, który zapewnia efekt sumowania dla jednej ze wstęg oraz odejmowania dla drugiej wstęgi co pozwala na całkowite formowanie sygnału w torach małej częstotliwości.

zasada działania

Opis konstrukcji
Wykonany przeze mnie transceiver z bezpośrednią przemianą jest wynikiem połączenia kilku sprawdzonych już wcześniej konstrukcji. W zasadzie wzorowałem się na trzech następujących konstrukcjach:
- na konstrukcji transceivera Piligrim skąd zaczerpnąłem pomysł podwójnego użycia jako mieszczacza cyfrowego układu FST3125
- na konstrukcji transceivera OH7SV/OH2NLT skąd pochodzi pomysł oddzielenia torów nadawczego i odbiorczego oraz filtr pasmowy m.cz.
- na konstrukcji transceivera QRP2004 skąd pochodzi pomysł na dwukrotne obniżenie częstotliwości heterodyny oraz filtry pasmowe w.cz

- mój wkład w konstrukcję to układ sterowania mieszczaczem oraz przede wszystkim generator DDS (na AD9835!), który 'zmusiłem' do pracy aż do ponad 30MHz czyli do pasma 14MHz włącznie

opis konstrukcji

Prototyp funkcjonalny
Podstawowy układ transceivera zawierający poza filtrami pasmowymi w.cz. oraz stopniem mocy wszystkie układy zmontowany został na płytce 100/100mm. PA nadajnika oraz filtry pasmowe zamontowane zostały również na płytce 100/100mm w taki sposób, że obie płytki połączone są na rogach za pomocą sześciokątnych tulejek dystansowych o wysokości 40mm a podukłady wzmacniaczy pasmowych m.cz. i w.cz. oraz filtry polifazowe montowane na obu tych płytkach umieszczone są ku środkowi tak powstałej konstrukcji. Obie płytki drukowane są obustronnie miedziowane. Jedna ze stron stanowi płaszczyznę uziemienia co wymaga aby otwory elementów nie łączonych z masą miały wykonane odpowiednie fazowania zapobiegające zwarciom. Całość zamknięta została w seryjnej obudowie 140/70/160mm.

prototyp funkcjonalny

Heterodyna w DC01
Jako heterodyna zastosowana została moja wcześniejsza konstrukcja Tiny DDS. Tiny DDS działa w wersji podstawowej do ok. 10MHz ale po kilku 'usprawnieniach' udało mi się 'zmusić' generator do pracy w szerszym zakresie (do 32MHz) co w praktyce oznacza możliwość pracy transceivera w zakresie do 16MHz.

Heterodyna w DC01

Oprogramowanie generatora Tiny-DDS dla transceivera DC01
Oprogramowanie jest jeszcze w fazie opracowania i testowania. Oprogramowanie działa w tym samym układzie fizycznym połączeń w jakim działa Tiny DDS. Zmienił się jedynie dławik filtra dolnoprzepustowego na wyjściu układu, który teraz powinien mieć wartość 0.1uH (zamiast 4.7uH). Przy programowaniu układu należy korzystać z podobnych ustawień jak dla Tiny DDS:
Fusebit KL 01:06 na wartość CK 4 ms delay
Fusebit A987 na wartość 1110:1110 external XTALL
Fusebit High G0 na wartość Preserve EEPROM when chip erased. Oprogramowanie jest darmowe do celów amatorskich, użycie komercyjne wymaga mojej zgody i oddzielnego uzgodnienia.

Transceiver DC01 w N krokach
Ponieważ nie wiem z góry w ilu krokach uda się wykonac transceiver niech wartośc N na razie będzie niewiadomą. W każdym razie w tej częsci opisu można znaleźć najnowszy i najpełniejszy opis wykonania i uruchomienia transceivera od pozyskania płytek drukowanych i elementów, przez uruchomienie poszczególnych stopni do uruchomienia całości urządzenia.

N kroków do DC01


wstecz
konstrukcje - poprzednia
wstecz
wróć na początek
wstecz
konstrukcje - następna