wstecz
wróć do opisu transceivera DC01

Pomysł na konstrukcję
Zainteresowanie konstrukcjami opartymi na zaawansowanej technice DC powstał po zlocie QRP/2009 gdzie miałem możliwość pobieżnie zapoznać się z urządzeniami SDR ale przede wszystkim dowiedzieć się, że istnieją już konstrukcje oparte na mieszaczach cyfrowych z podstawowym formowaniem sygnału w zakresie akustycznym. Przez kilka tygodni pomysł powoli dojrzewał wspomagany studiowaniem istniejących już i opublikowanych konstrukcji by w końcu zmaterializował się w działającym prototypie.

Od początku zakładałem, że urządzenie będzie wykorzystywać moją wcześniejszą konstrukcję - Tiny DDS ale ten układ oparty jest na przeciętnym generatorze AD9835 gdzie z trudem osiągałem ok. 20MHz na wyjściu generatora, co przy wymaganiu na 4 krotnie wyższą heterodynę oznaczało tylko możliwość odbioru sygnałów do ok. 5MHz a więc co najwyżej pracę w paśmie 3.5MHz.

Tu z pomocą przyszło mi rozwiązanie z transceivera QRP2004 gdzie do przełączania wykorzystuje się oba zbocza sygnału heterodyny co w praktyce oznacza zmniejszenie częstotliwości heterodyny o połowę. Swój układ Tiny DDS zmodyfikowałem również tak, że po użyciu wzorca 64MHz oraz podniesieniu pasma wzmacniacza dla wyższych częstotliwości udało się 'wydusić' z niego sygnał do ok. 32MHz co przekłada się się na pokrycie zakresu pracy transceivera praktycznie od zera do ok. 16MHz. W związku z tym uklad nie posiada przełącznika pasmowego. Po prostu odbiera i nadaje na częstotliwości na jakiej akurat pracuje. Zespół filtrów pasmowych na płytce PA przełączany jest za pomocą dekodera 1 z 10 za pomocą trzech binarnych sygnałów z układu DDS. Przełaczenie następuje przy częstotliwościach: 1MHz, 2MHz, 4MHz, 8MHz oraz 15 MHz. Ten sam binalny sygnał sterujący będzie można wykorzystać również do sterowania np. filtrami wyjściowymi w zewnętrznym wzmacniaczu mocy.

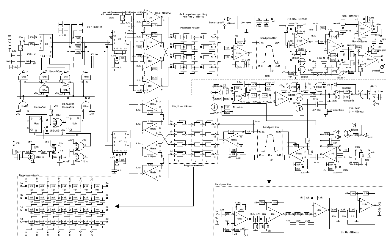
Schemat blokowy



Schemat blokowy urządzenia zawiera w części odbiorczej zespół filtrów oktawowych BPF przełączanych automatycznie w miarę jak zmienia się częstotliwość pracy, mieszczacz cyfrowy na przełączniku FST3125 sterowany z heterodyny DDS o dwukrotnie większej częstotliwości niż częstotliwość pracy, zespół przełączników FST3125 załączających tor odbiorczy lub nadawczy, filtr polifazowy części odbiorczej, wzmacniacz pasmowy m.cz., stopień ARW oraz wzmacniacz słuchawek/głośnika. W części nadawczej znajduje się elementarna automatyka O/N, wzmacniacz mikrofonowy oraz generator tonu, filtr polifazowy oraz ten sam mieszczacz cyfrowy skąd sygnał w.cz. poddawany jest filtrowaniu we wspólnym filtrze oktawowym oraz wzmocniony we wzmacniaczu aperiodycznym. Moc wyjściowa to ok. 1W w antenie a więc urządzenie w pełni zasługuje na miano QRP. Na schemacie blok DDS oznakowano, że działa w zakresie do 60MHz co zapewniłoby pokrycie wszystkich pasm do 28MHz ale w tej bieżącej realizacji, z układem AD9835, osiągam na razie pasma do 14MHz włącznie. W torze odbiorczym i nadawczym pracują dwa jednakowe stopnie: wzmacniacz pasmowy oraz filtr polifazowy. Zdecydowałem się na takie rozwiązanie świadomie dla zwiększenia czytelności rozwiązania kosztem zwiększenia złożoności układu. Zarówno wzmacniacz pasmowy jak i filtr polifazowy wykonane są na oddzielnych płytkach drukowanych i łatwo mogą być wymienione na pomiędzy sobą jak i na układy o innych parametrach pod warunkiem zachowania zgodności wyprowadzeń co pozwoli na dalsze eksperymentowanie.

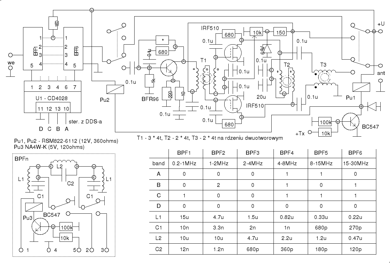
Filtr pasmowy w.cz. oraz PA nadajnika



Na wejściu toru odbiorczego pracują oktawowe filtry pasmowe działające do 30MHz w 6 podzakresach. Wybór odpowiedniego filtra zależy od aktualnej częstotliwości heterodyny i ustawiany jest przez aktywny sygnał z dekodera 1 z 10 (CD4028) sterowanego z logiki układu DDS. W tabeli wyliczone zostały wszystkie elementy pasywne wchodzące w skład każdego z filtrów pasmowych oraz sekwencja sygnałów sterujących umożliwiająca wybór odpowiedniego filtra. Każdy z filtrów wykonany został w postaci oddzielnej płytki a sam filtr aktywowany jest miniaturowym przekaźnikiem. Użycie filtrów oktawowych zapewnia działanie odbiornika zarówno w paśmach amatorskich jak i poza nimi a więc umożliwia pracę w całym zakresie 0-30MHz, niemniej możliwe jest zastosowanie filtrów pasmowych 'przykrojonych' dokładnie do pasm amatorskich co zapewni lepszą separację od sygnałów poza pasmowych. Na tej samej płytce co filtry pasmowe zamontowany został stopień PA nadajnika wykonany jako przedwzmacniacz na tranzystorze BFR96 oraz wzmacniacz przeciwsobny na tranzystorach MOSFET IRF510. Punkt pracy tranzystorów MOSFET ustawia się potencjometrem polaryzującym bramki tranzystorów w taki sposób aby prąd spoczynkowy miał wartość ok. 100-150mA

Układ transceivera



Większośc podstawowych układów transceivera zamonowanych jest na jednej płytce drukowanej. Dodatkowo, zarówno w torze odbiornika jak i nadajnika zastosowano oddzielne płytki filtra pasmowego m.cz. oraz filtra polifazowego pokazanych na schemacie w formie bloku i w formie rozwiniętej. Przy odbiorze sygnał podawany wprost z anteny (układ może działać bez filtrów wejściowych w.cz. czyli bez jednego obwodu rezonansowego !!!) trafia do cyfrowego mieszacza na układzie FST3125 sterowanego z układu podwajającego częstotliwość z generatora DDS. Zmianę wstęgi odbieranego sygnału umożliwia zmiana kierunku przełączania wyjść mieszacza. Sygnały z mieszacza cyfrowego są wzmacniane za pomocą wzmacniaczy niskoszumnych a następnie po przejściu przez filtr polifazowy sumowane i wzmacniane we wzmacniaczu objętym pętlą ARW z możliwością pomiaru siły sygnału (s-metr). Ostatecznie sygnał użytkowy m.cz. wzmacniany jest w monolitycznym wzmacniaczu m.cz. W torze nadawczym działa układ logiki N/O sterowany za pomocą klucza cw lub przycisku ptt. W zależności od trybu pracy działa wzmacniacz mikrofonowy przy pracy ssb lub generator tonu 800Hz. Wzmacniacz mikrofonowy ma na wejściu układ polaryzacji do stosowania z mikrofonem elektretowym oraz objęty jest ograniczeniem wzmocnienia na diodach włączonych w pętli ujemnego sprzężenia zwrotnego. Prostokątny sygnał z generatora tonu 800Hz filtrowany jest w 3 stopniowym filtrze dolnoprzepustowym i kluczowany za pomocą bramki z indywidualnym kształtowaniem czasu narastania i opadania zboczy sygnału tonu co pozwala na uzyskanie 'ostrego' lub 'śpiewnego' sygnału cw. Przy pracy cw działa opóźnienie przejścia na odbiór regulowane za pomocą potencjometru. Sygnał m.cz przy pracy ssb lub ton 800Hz przy pracy cw, po wzmocnieniu podawany jest na filtr polifazowy oraz po wydzieleniu składowych przesuniętych odpowiednio w fazie jest mieszany cyfrowo z sygnałem heterodyny tworząc na wyjściu sygnał w.cz filtrowany następnie w filtrze oktawowym w.cz. i wzmocniony w stopniu PA. Ze względu na niewielką moc (ok. 1W w antenie) stopień PA nie zawiera obwodów dolnoprzepustowych.

cdn...



wstecz
wróć do opisu transceivera DC01