wstecz
konstrukcje - poprzednia
wstecz
wróć na początek
wstecz
konstrukcje - następna

Prosty generator
Pomysł na generator narodził się w czasie mojej próby (nieudanej niestety) pomiaru filtra polifazowego stosowanego w transceiverze DC01. Taką próbę podjąłem zakładając wątek na forum Home Made. Zamierzałem zbudować układ pomiarowy badający charakterystykę filtra i pokazujący jak wygląda w paśmie pracy. Przyrząd pomiarowy powstał ale dopiero po jego wykonaniu okazało się, że w założeniach pomiaru tkwił podstawowy błąd związany z naturą filtrów polifazowych i cała idea pomiaru upadła. Niemniej, elementem składomym przyrządu pomiarowego był generator sinusoidany sterowany automatycznie przez mikroprocesor organizujący procedurę pomiarową.


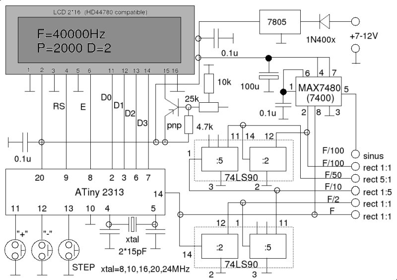
"Sercem" generatora jest mikrokontroler ATiny 2313 sterowany zegarem o częstotliwości 8, 10, 16, 20 lub 24MHz. Do generowania częstotliwości wyjściowej użyty jest wewnętrzny rejesstr liczący układu, który może zliczać impulsy zegara generując na wyjściu 14 impuls po zliczeniu od 1 do 65536 impulsów. Ponieważ każdorazowe zliczenie ustalonej liczby impulsów x zmienia stan na przeciwny to na wyjściu 14 pojawi się częstotliwość powstałą przez podział zegara przez 2x. W praktyce więc częstotliwość na wyjściu można określić jako częstotliwość zegara podzieloną przez wartość podzielnika w zakresie od 2 do 131072 z krokiem 2. Impulsy na wyjścu 14 mikroprocesora są prostokątne i symetryczne. Poddawane są one kolejnym podziałom w dwóch dzielnikach 74LS90 z wyprowadzeniem częstotliwości pośrednich co powoduje, że do dyspozycji są impulsy o częstotliwości podstawowej F, F/2, F/10, F/50 oraz o częstotliwości F/100. Wszystkie te sygnały mają charakter prostokątny a dodatkowo sygnały F/10 i F/50 są wypełnione w proporcji 1:5 (1/5 jedynka, 4/5 zero). Pozostałe sygnały mają charakter symetryczny o wypełnieniu 1:1. Sygnały o częstotliwościach F oraz F/100 kierowane są do cyfrowego filtra dolnoprzepustowego MAX7480 na wyjściu którego otrzymuje się sygnał sinusoidalny (w zakresie 0-2.8kHz). Jeśli zamiast ukladu MAX7480 zastosuje się układ MAX7400 będzie można na wyjściu sinusoidalnym uzyskać częstotliwości do ok. 10kHz. Tranzystor pnp wraz z rezystorami 4.7k, 10k i potencjometrem zapewnia podświetlenie wyświetlacza i można go pominąć.

 

Do obsługi generatora służą 3 klawisze z których dwa pierwsze zmieniają podzielnik na minus i na plus z ustalonym skokiem a trzeci z klawiszy zmienia skok w zamkniętym cyklu 2->20->200->2000->2->20..... W ten sposób możliwe jest szybkie ustawienie pożądanego podzielnika oraz przestawienie w żadany zakres częstotliwości.Układ został zaprojektowany na płytce 60/90mm.w taki sposób, że możliwe jest zamontowanie klawiszy funkcyjnych bezpośrednio na płytce podstawowej lub na dodatkowej płytce, którą można zamontować w innym miejscu płyty przedniej obudowy. W pokazanym modelu funkcjonalnym nie został zamontowany układ MAX7480, który montowany jest od strony druku.


Wyświetlacz generatora pokazuje dane w dwóch liniach. W górnej linii wyświetlana jest częstotliwość F w Hz a w dolnej linii wyświetlany jest aktualnie zastosowany podzielnik P oraz krok K zmiany częstotliwości w wartościach podzielnika (2, 20, 200, 2000). Generator ma istotne ograniczenia dotyczące możliwości uzyskania sygnału sinusoidalengo jedynie w zakresie do 2.8kHz dla układu MAX7480 oraz ok. 10kHz dla układu MAX7400. Poza tym sam sygnał na wyjściu układów MAX po bliższym przyjrzeniu się zbudowany jest z elementów łączonych w sinusoidę z częstotliwością 100 krotnie większą (stąd niezbędny do sterowania układem zestaw częstotliwości F oraz F/100). Ograniczony jest również zakres przestrajania generatora oraz precyzja z jaką można ustawić częstotliwość pracy. Mając kwarc o częstotliwości X (ze zbioru 8, 10, 16, 20 i 24MHz) można uzyskać największą częstotliwość F równą X/2 oraz najmniejszą równą F/131070 (ok. 61Hz dla zegara 8MHz). Jednocześnie do dyspozycji są częstotliwości F/2, F/10, F/50. Dokładność ustawienia częstotliwości jest najlepsza dla dużych podzielników gdzie osiąga się ułamki Hz a dla największych częstotliwości krok może wyności i kilka MHz. Dla przykładu z zegarem 8MHz nawiększą osiągalną częstotliwością jest 4MHz a następnie 2MHz, 1.33MHz, 1MHz, 0.8MHz, 0.67MHz, 0.571MHz, 0.5MHz, 0.444MHz, 0.4MHz .... aby w okolicach 100kHz zmniana wnosiła ok. 2.5kHz, w okolicach 10kHz 25Hz a w okolicach 1kHz tylko 1Hz. Z odpowiednio mniejszym ziarnem zmieniają się częstotliwości pochodne czyli F/2, F/10, F/50 i F/100. Generalnie więc biorąc generator pozwala na ustawienie z dość dużą dokładnością dowolnej częstotliwości w pasmie akustycznym i może służyć do sporadycznych zastosowań na ustalonych częstotliwościach w wyższym paśmie.

schemat druk montaż

Oczywiście mikroprocesor ATiny 2313 wymaga odpowiedniego zaprogramowania. W zależności od wybranego kwarca zegara należy wybrać odpowiednią wersję oprogramowania. We wszystkich jednak przypadkach należy układ ATiny 2313 ustawić za pomocą bitów Fuse na następujące wartości:
Fusebit C 1: Divide clock by 8 disable
Fusebit KL 01: 6 CK 4ms delay
Fusebit A987 1111:1111 external XTAL
Fusebit J 0: Preserve EEPROM when chip is erased

zegar 8MHz zegar 10MHz zegar 16MHz zegar 20MHz zegar 24MHz 

Wybór właściwej wersji oprogramowania wynika z zastosowanych przeliczników oraz ze względu na konieczność zachowania odpowiednich opóźnień czasowych podczas obsługi klawiszy funkcyjnych. Chcąc pozyskać oprogramowanie najedź na odpowiednią ikonę a następnie za pomocą prawego klawisza wybierz opcję "Zapisz element docelowy jako". Oprogramowanie jest darmowe do celów amatorskich, użycie komercyjne wymaga mojej zgody i oddzielnego uzgodnienia.

wstecz
konstrukcje - poprzednia
wstecz
wróć na początek
wstecz
konstrukcje - następna