wstecz
wróć do opisu transceivera DC01

Krok1 - obwody drukowane
Jeśli potrafisz sam zrobić obwody drukowane to ich opis znajdziesz w sekcji. prototyp funkcjonalny. Mozna jednak już nabyć gotowy komplet wszystkich płytek, łącznie z płytkami do DDS-a w firmie ZUF w Poznaniu. Komplet płytek do DDS-a to koszt ok. 25 PLN a do transceivera DC01 to koszt ok. 100 PLN. Płytki są jedno i dwustronne, pokryte cyną oraz wiercone. Zamawiając płytki należy podać nazwę DDS oraz DC01. W ostateczności mozna użyć zdjęcia na którym są wszystkie płytki do DC01. Przy zamówieniu należy podac również średnicę otworów. Proponuję podać wartość 0.8mm co pozwoli montować zarówno elementy o typowych rozmiarach jak i np. diodę 1N4007 oraz piny styków.


    

Na zdjęciach pokazane są tylko płytki drukowane do DC01. Na pierwszym zdjęciu widać wszystkie płytki, na drugim sposób zmontowania dwóch głównych płytek (mniejsze płytki znajdą się wewnątrz tej konstrukcji) a na trzecim zdjęciu pokazane są płytki, które będą użyte w pierwszych etapach montażu. Opis płytek do DDS-a znajdziesz w sekcji Tiny DDS.
Na początek proponuję montować zgodnie z zaproponowaną kolejnością. Ponieważ nie miałem okazji sprawdzić prawidłowości wykonania płytek to postaram się zamieścić wszystkie uwagi na ten temat więc posuwanie się moim śladem może okazać się najbezpieczniejszą metodą i pozwoli uniknąć moich ewentualnych będów. Na początek ostrzegam, że płytki cynowane, są z jednej strony bardzo wygodne w lutowaniu ale z drugiej strony, z tego samego powodu, bardzo łatwo jest złączyć sąsiednie ścieżki nadmiarem cyny. Należy więc lutować cienkim grotem, najlepiej używając tinolu oraz robić to ostrożnie a w razie zwarcia używać większej ilości kalafonii, która ułatwia rozdzielenie zwarcia.


Krok2 - wzmacniacz końcowy m.cz odbiornika
Do budowy wzmacniacza użyłem prostego ukladu scalonego TDA 7231 działającego z reguły w sprzęcie przenośnym audio. Uklad świetnie spisuje się ze słuchawkami ale może pracować również z głośnikiem - w tym przypadku lepsze efekty dają głośniki o oporności 8 omów i wyższej.



Aktualnie montowane elementy zaznaczał będę na czerwono, elementy już zmontowane będą miały kolor zielony. W węzłowych punktach w prostokątach zaznaczę napięcia zakładając, że zasilam trx z napięcia ok. 13.5V a w kółkach podam wartości zmiennoprądowe odczytane z ekranu oscyloskopu.
Pierwszy krok montażowy polega na złożeniu wzmacniacza końcowego m.cz. Na rysunku montazowym zaznaczyłem wszystkie elementy, które należy zamontować, a które czasami nie należą bezpośrednio do montowanego zespołu ale jak w tym przypadku opornik 100k. stanowią połączenie do masy minusa kondensatora 100uF. Grubszą czerowna linią zaznaczam połączenia w ciągu których znajdują się połączenia przewlekane prowadzone z obu stron płytki.
W pierwszym kroku montażu należy zamontować również diodę szeregową 1N4007, stabilizator 7805 oraz piny służące do podłączenia zasilania co przyda się oczywiście w dalszej pracy.

  

Na pierwszym zdjęciu widać wszystkie elementy (zwracam uwagę na zagięcie wyprowadzeń 7805 tuż przy samej obudowie pod kątem prostym) a na drugim zmontowany już podukład. Przed uruchomieniem zalecam sprawdzenie omomierzem czy oporność pomiędzy katodą diody 1N4007 a masą nie wykazuje zwarcia co mogłoby wskazywać na jakiś generalny błąd w ścieżce zasilania. Jeśli oporność jest większa niż 1k dla obu kierunków pomiaru to można podłączyć napięcie i sprawdzić czy stabilizator pracuje poprawnie a na pinie 1 układu TDA napięcie wynosi prawie 13.5V. Po tej próbie można wstawić w podstawkę układ TDA, dołączyć słuchawki oraz koniecznie potencjometr lub co najmniej opornik o wartości kilku k pomiędzy wejście 4 TDA a masę. Dopiero w takich warunkach poprawnie działający układ będzie miał na wyjściu (wyprowadzenie 2) napięcie w przybliżeniu równe połowie napięcia zasilania (wyprowadzenie 1). Poprawną pracę można zweryfikować także zbliżając rękę do wyprowadzenia 4 układu TDA lub do zewnętrznego krańca potencjometru co powinno wzbudzać dżwięk w słuchawkach. Układ generuje na wyjściu napięcie szumów ok. 5mVpp z obciążeniem słuchawkowym ok. 18 omów.

schemat_krok 2   montaż_krok 2


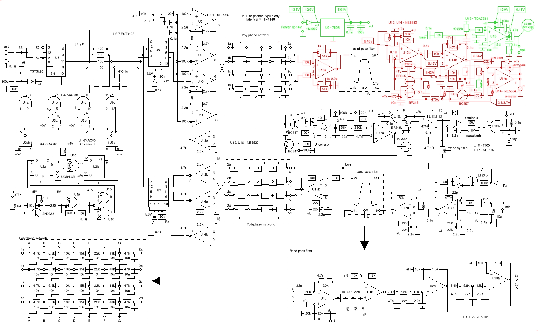
Krok3 - wzmacniacz m.cz/ARW/s-meter
W trakcie montażu tego stopnia okazało się, że na płytce odnalazło się kilka błędów w warstwie masy, które oznakowałem czerwonymi kółkami oraz stosownym opisem. W trzech punktach zabrakło podtrawień a w jednym miejscu takie podtrawienie zostało wykonane choć nie powinno być zrobione bo przez to miejsce uziemiany jest styk masy wzmacniacza pasmowego m.cz. Oczywiście tam gdzie brak podtrawień należy otwory sfazować od strony masy wiertłem a tam gdzie podtrawienie zostało omyłkowo wykonane należy dokonać stosownego połączenia z masą (patrz rysunek w formacie pdf!). Zwracam również uwagę na konieczność uziemienia pinów 4 obu układów scalonych. Ponieważ wewnątrz przestrzeni na układy scalone znajdują się montowane elementy to należy używać zamiast tradycyjnych podstawek linijki pinów precyzyjnych.
Ten stopień jest z jednej strony dość ważny a z drugiej może sprawiać kłopoty z uruchomieniem. Dodatkowo należy pamiętać, że od układu U13a na lewo schematu patrząc zaczyna się część gdzie należy zadbać o symetrię elementów więc już teraz rezystory 51k, 10k, oraz kondensatory 1n montowane przy U13a powinny być dobierane jako identyczne. Sam układ U13a w tym kroku nie będzie uruchamiany ale ponieważ znajduje się w jednej obudowie z U13b więc i elementy z jego otoczenia warto zamontować teraz. Pierwszym krokiem montażowym powinno być wykonanie połączeń przewlekanych od strony masy.



Ta część układu stanowi o wzmocnieniu odbiornika, pełni funkcję automatycznej regulacji wzmocnienia - ARW oraz może sterować wskaźnikiem siły odbieranego sygnału. Układ U13b jest pierwszym stopniem wzmocnienia o wartości ok. 10 razy z regulacja w dół za pomocą trazystorów polowych a wzmacniacz U14b to drugi stopień wzmocnienia o wartości ok. 47 razy. Wejścia (+) tych układów polaryzowane są z napięcia równego mniej więcej połowę napięcia zasilania więc na wyjściach tych układów napięcie powinno mieć także wartość równą ok. połowie napięcia zasilania. System ARW składa się z detektora szczytowego na tranzystorze pnp a o stałej czasowej ARW decyduje para: kondensator 100uF i rezystor 200k dołączone do kolektora tego tranzystora. Bez sygnału na wejściu napięcie na kondensatorze 100u powinno wynosić ok. 2.5V co ustala się potencjometrem 47k (suwak w pobliżu rezystora 1k). To ustawienie decyduje o najmniejszym poziomie sygnału na jaki będzie reagował układ ARW. Im wyższe napięcie tym czulszy będzie układ ale zbyt duże napięcie wstępne wprowadzi niepotrzebnie ograniczenie wzmocnienia bez sygnału na wejściu. Silniejsze sygnały powodują, że tranzystor pnp zaczyna przewodzić doładowując kondensator do wyższego napięcia co powoduje, że poprzez rezystor 470k tranzystor polowy jest polaryzowany w kierunku przewodzenia obniżając wzmocnienie wzmacniacza U13b. Drugi tranzystor polowy sterowany jest sygnałem +Tx blokując wzmacniacz w czasie nadawania. Podczas odbioru punkt +Tx powinien mieć potencjał bliski zeru. Wzmacniacz U14a jest wzmacniaczem sygnału s-metra. Na jego wejście podawane jest również napięcie z kondensatora ARW. Zerowe wskazanie na wyjściu s-metra ustala się potencjometrem 220k a wzmocnienie stałoprądowe ustala potencjometr 1M.

  

Po zmontowaniu układu należy sprawdzić omomierzem, czy nie ma zwarcia linii zasilania do masy. Uruchomienie układu najlepiej jest przeprowadzić z dołączonym potencjometrem siły głosu oraz ze słuchawkami na uszach co pozwoli łatwiej ustalić podstawowe zachowanie układu. Przed włączeniem zasilania należy punkt +Tx dołączyć do masy. Potencjometr 47k należy ustawić w skrajne lewe położenie (suwak przy rezystorze 1k) a pozostałe dwa potencjometry w położenie środkowe. Po włączeniu zasilania należy sprawdzić czy napięcia na wejścich (+) wzmacniaczy operacyjnych U13b oraz U14b oraz na wyjściach tych wzmacniaczy wynosi mniej więcej połowę napięcia zasilania (napięcie na pinie 8 tych wzmacniaczy). W tym stanie w słuchawkach powinien być słyszalny szum przechodzący w głośny brum po dotknięciu pinu 6 wzmacniacza U14b oraz pinu 6 wzmacniacza U13b. Jednocześnie napięcie na kondensatorze 100u powinno mieć wartość bliską zera.
Następnie należy za pomocą potencjometru 47k doprowadzić do wzrostu napięcia na kondensatorze 100u do wartości ok. 2.5-3V. W takim stanie dotknięcie pinu 6 wzmacniacza U13b powinno powodować silny brum w słuchawkach oraz wzrost napięcia na kondensatorze 100u do wartości ok. 3.7V. zwolnienie pinu 6 powinno powodować powolny spadek napięcia do wartości 2.5V oraz stopniowe pojawienie się szumu w słuchawkach. Regulacja za pomocą potencjometru 47k powinna odbywać się wolno i z wyczuciem. Jeśli układ zachowuje się zgodnie z opisem można założyć, że zarówno wzmacniacz jak i stopień ARW działają prawidłowo.
Wzmacniacz wskaźnika s-metra należy uruchamiać indywidualnie w zależności od miernika jaki zostanie zastosowany. Genralnie biorąc potencjometrem 220k ustala się położenie zerowe miernika a za pomocą potencjometru 1M ustala się stałoprądowe wzmocnienie układu. Dodatkowo, na płytce drukowanej przewidziano możliwość zamontowania dwóch rezystorów rozpiętych szeregowo pomiędzy plus i minus zasilania co pozwoli na elastyczne dopasowanie posiadanego miernika do sygnałów w układzie. Kalibrując miernik należy pamiętać, że S9 to napięcie na wejściu transceivera o wartości 50uV a każdy kolejny S to 6 dB różnicy w sile sygnału (2 razy w napięcu co oznacza S8=25uV, S7=12.5uV, S6=6.25uV i S5=3.125uV a S9+10dB to napięcie ok. 150uV oraz S9+20dB to napięcie wejściowe 500uV).

schemat_krok 3   montaż_krok 3



Krok4 - wzmacniacz pasmowy m.cz.
Kolejnym elementem transceivera jest wzmacniacz pasmowy m.cz. Układ ten w identycznej formie występuje zarówno w odbiorniku jak i w nadajniku więc warto montować oba układy od razu.



Filtr pasmowy składa się z czterech stopni z których pierwszy stopień to wzmacniacz dopasowujący impedancję z lekkim rezonansem a środkowej części pasma przenoszenia, drugi stopień to wzmacniacz górnoprzepustowy a trzeci i czwarty stopień to dwa identyczne wzmacniacze dolnoprzepustowe. Wypadkowa charakterystyka jest zatem pasmowa w zakresie 300-2400Hz. Ten człon urządzenia kształtuje istotne parametry całego transceivera bo poza oczywistym uformowaniem charakterystyki nadajnika i odbiornika w zakresie m.cz. ma podstawowe znaczenie jeśli chodzi o modulację skrośną. Dwa stopnie dolnoprzepustowe zapewniają, że wypadkowa charakterystyka opada gwałtownie poza pasmem od strony wyższych częstotliwości co powoduje, że odbiornik jest całowicie niewrażliwy na silne stacje nadające w odległości 3-5 kHz powyżej częstotliwości odbieranej. Ograniczenie pasma od strony niższych częstotliwości wytłumia przydźwięki i brumy związane z zasilaniem i prostownikiem kiedy urządzenie jest zasilane z zasilacza.


Symulacja działania filtra pokazana został na dwóch wykresach. Lewy wykres to, patrząc od najniżej położonej, kolejne charakterystyki przenoszenia za pierwszym, drugim, trzecim i czwartym wzmacniaczem operacyjnym. Prawy wykres to pełna charakterystyka przenoszenia filtra w skali logarytmicznej. Widać, że pasmo przenoszenia wynosi na poziomie 3dB (ok.707 wartości maksymalnej) od ok. 300 do ok. 2500Hz. Tłumienie poza passmem lepiej widać na wykresie logarytmicznym i na poziomie -60dB pasmo przenoszenia wynosi od ok. 60Hz do ok. 6kHz (1000 krotne stłumienie sygnału napięciowego!).

    

Montaż podukładów na głównej płycie transceivera wymaga jedynie zamontowania gniazd - podstawek gdzie włożony zostanie następnie filtr pasmowy. Gniazda składają się z dwóch części po 5 pinów. Ze względy na niesymetryczne wyprowadzenia pinów na płytce filtra zaleca się zaślepienie po jednym otworze w każdym 5 stykowym gnieździe co zapobiegnie niewłaściwemu wetknięciu filtra w gniazda. Zarówno filtr odbiornika jak i nadajnika wkładane są w gniazda w taki sposób, że elementy skierowane są do środka transceivera. Jeśli na płytce strona podtrawień na pady nie jest zgrana idealanie z otworami wtedy należy w wątpliwych miejscach zrobic podfrezowania za pomocą wiertła (co miało miejsce w moim komplecie płytek dla kilku niecentrycznie wykonanych otworów). W pierwszym rzędzie należy wykonać połączenia przewlekane zwor a następnie zamontować podstawki. Uwga: pod układem U1 należy zrobic połączenie ścieżek z masą. Układy filtrów należy sprawdzać w płytce transceivera sprawdzając przed włączeniem napięcia czy nie ma zwarcia pomiędzy masą i liniami zasilania. Po włączeniu zasilania należy sprawdzić czy poziom napięć podany na schemacie odpowiada pomiarom co jest podstawowym warunkiem poprawnej pracy filtra. Sprawdzenie charakterystyki filtra wymaga bardziej wyrafinowanego sprzętu (przestrajany generator i woltomierz napięć akustycznych lub wobuloskop) ale najprostszą metodą sprawdzenia działania filtra jest porównanie odpowiedzi toru na dotknięcie ręką do pinu 2 pierwszego wzmacniacza filtra w stosunku do odpowiedzi przy dotknięciu pinu 6 (wejście "-") układu U13b na płytce transceivera. W odpowiedzi słychać wyraźnie, że reakcja z filtrem ma ograniczone pasmo częstotliwości akustycznych.

schemat_krok 4   montaż_krok4  montaż_bpf_krok 4



Krok5 - filtr polifazowy
Układ zawiera dwa identyczne układy filtry polifazowe w torze odbiornika i w torze nadajnika warto więc wykonać je jednocześnie. Filtr polifazowy stanowi z mieszczaczem cyfrowym podstawowy element odpowiedzialny za formowanie sygnału zarówno odbiornika jak i nadajnika co sprawia, że należy filtry wykonać ze szczególną starannością. Jakkolwiek filtry sprawiają wrażenie prostych ze względu na swoją symetryczną i jednorodną strukturę to są, w moim przekonaniu, najtrudniejszym i najbardziej pracochłonnym elementem do wykonania. Mnie montaż dwóch filtrów zajął ok. 4 godziny więc zabierając się za tą część montażu trzeba przeznaczyć więcej czasu a ręka powinna być pewna w ruchach aby elementy smd nie skakały po stole i otoczeniu jak pchełki ;-).



Najbardziej istotną sprawą przy budowie filtrów polifazowych jest dobór elementów. Ja korzystałem z gotowego wyliczenia wykonanego dla potrzeb transceivera QRP2000. Filtr polifazowy to złożenie kilku członów przesuwających fazę dla określonej częstotliwości wejściowej. Każdy z członów to pionowy (na rysunku) układ kondensatorów i rezystorów "nastrojonych" na określoną częstotliwość środkową pracy i działający dobrze w pewnym otoczeniu tej częstotliwości. Układając łańcuchowo ogniwa działąjące na kolejnych częstotliwościach można doprowadzić do sytuacji kiedy odpowiednie przesunięcie fazowe uzyskane zostanie dla całego pasma akustycznego potrzebnego do sformowania sygnału odbieranego lub nadawanego. Okazuje się dodatkowo, że bardziej istotna jest symetria wartości elementów w zakresie jednego członu przesuwnika (rezystory oraz kondensatory umieszczone w jednym pionie filtra) niż absolutnie dokładne wartości wynikające z obliczeń. Dlatego zarówno kondensatory jak i rezystory należy dobierać zgodnie z dostępnym szeregiem elementów natomiast w zakresie jednego członu wartości powinny być możliwie jednakowe.

      

Symulacja wagi poszczególnych elementów i ich doboru pokazana została na trzech kolejnych wykresach dla schematu filtra z pierwszego rysunku. Na pierwszym wykresie pokazana jest nominalna charakterystyka przenoszenia filtra dla wartości jak na schemacie. Z pozoru jeden wykres składa się w rzeczywistości z czterech charakterystyk leżących jedna na drugiej a dopiero poza pasmem przenoszenia widać, że charakterystyki zaczynają się rozdzielać ale w dalszym ciągu po dwie krzywe dla przesunięć 0 i 180 oraz 90 i 270 stopni pokrywają się. Środkowy wykres pokazuje symulację działania filtra, w którym człon z rezystancją 22k został zastąpiony członem o wartości 27k a więc różnica w wartości wynosi 5k (ok. 25%). W tym przypadku w zasadzie nie widać różnicy poza lekką zmianą kształtu krzywej w paśmie pracy ale charakterystyki dalej leżą jedna na drugiej. Trzeci wykres to symulacja sytuacji gdzie w członie z opornikami 22k zastosowane zostały oporniki w zakresie od 21.8k do 22.2k (ok. 1% różnicy) i widać wyraźnie jak charakterystyki przenoszenia w poszczególnych torach zostały istotnie rozdzielone. Zakłada się, że dobór rezystorów z dokladnością nie gorszą niż 1% oraz kondensatorów z dokładnością nie gorszą niż 5% powinien zapewnić prawidłowe parametry filtra ze względu na jednorodnośc charakterystyk przenoszenia (chodzi oczywiście o dobór 1% i 5% dla czwórek elementów każdego z członów filtra). Ostateczna charakterystyka przenoszenia transceivera jest złożeniem charakterystyki przenoszenia filtra polifazowego i filtra pasmowego m.cz. więc niedoskonałości filtra polifazowego na początku i końcu pasma nie mają istotnego znaczenia bo w tym zakresie swoją rolę pełni opadająca charakterystyka filtra bpf.

      

Początkowo należy przygotować się do montażu filtrów separując kondensatory przez pomiar wartości jak to pokazuje pierwsze zdjęcie. Mój miernik uniwersalny zaniża nieco mierzone wartości, które w rzeczywistości mają po ok. 9.5nF więc na rysunku kondensatory o wartości nominalnej 10nF zgrupowane są w okolicach wartości 9nF. Wydaje się, że ze 100 zakupionych kondensatorów uda się wybrać 56 dobranych czwórek do zamontowania w filtrach. Wstępnie posegregowane kondensatory należy schować w oddzielnych woreczkach strunowych aby nie wymieszały się w trakcie czynności montażowych. Dopiero z tak wstępnie podzielonych grup należy dobierać konkretne czwórki na możliwie najmniejsze różnice wzajemne. Dwa kolejne zdjęcia pokazują jak do miernika uniwersalnego dorobić przystawkę z kawałka laminatu i goldpin-ów pomagającą przy pomiarach. Rezystory sprzedawane są z reguły w listkach i za pomocą odpowiednio zaostrzonych końcówek można je mierzyć przebijając folię ochronną tak, że dobór wartości dla czwórki może się odbywać bezpośrednio w listku. Ostatnie zdjęcie pokazuje zestaw materiałów i narzędzi jakie na pewno przydadzą się przy montażu. Zwracam uwagę na szkło powiększające i odpowiednio cienką końcówkę lutownicy. Ja używam wyłącznie lutownicy transformatorowej i dla takich małych elementów stosuję specjalnie zaostrzoną końcówkę z drutu miedzianego stosowanego na groty i przykrąconego do właściwego grotu lutownicy za pomocą wkrętu i nakrętki M3. Przydadzą się również drewniane wykałaczki do ustalenia pozycji elementu smd podczas lutowania.

  

Montaż elementów należy rozpocząć od płytki drukowanej filtra. Najpierw należy obejrzeć płytkę pod lupą sprawdzając czy nie ma zwarć ścieżek (obie moje płytki miały zwarcia) a w razie wątpliwości sprawdzając przejście - najlepiej omomierzem z sygnalizatorem dźwiękowym. Ta seria płytek nie ma podtrawień padów dla wyprowadzeń od strony masy więc należy je wykonać fazując otwory za pomocą wiertła 3mm. Elementy należy montować od lewej do prawej lub od prawej do lewej strony kolejnymi czwórkami zaczynając od kondensatorów a następnie montując oporniki jednego członu. Lutując elementy smd należy przestrzegać zasady, że im mniej cyny tym lepiej i im więcej topnika tym lepiej. Ja używam topnika w płynie o nazwie ELN-10 smarując miejsca gdzie będą przylutowane elementy dla każdej z czwórek. Po zamontowaniu czwórki kondensatorów i oporników należy sprawdzić czy nie nastąpiło zwarcie sąsiednich padów (omomierz z sygnalizatorem akustycznym) a następnie należy sprawdzić oporność każdej z gałęzi na padach styków i ostatnim zalutowanym padem. Oczywiście każda z gałęzi powinna mieć zbliżoną oporność rosnącą oczywiście w miarę wlutowywania kolejnych stopni. W moim przypadku poszczególne pomiary dały wartości: 4.7k, 11.5, 21.5k, 36.4k, 58.8k, 91.9k oraz 138.3k a różnice dla innych gałęzi filtra nie przekroczyły dla wszystkich elementów 0.1k (ok. 0.15%). Kolejną czynnością jest zamontowanie 7 zwor pomiędzy górną a dolną ścieżką. Ja używałem do tego kynara ale można je zrobić np. z krosówki w koszulce izolacyjnej. Ostanią czynnością jest zamontowanie listwy styków oraz zwory masy na środkowych stykach ale nie zaszkodzi również ostateczne sprawdzenie oporności poszczególnych gałęzi filtra i/lub sprawdzenie czy żaden z padów nie jest zwarty do sąsiedniego. Na razie nie wymyśliłem lepszej metody sprawdzenia czy filtr został poprawnie zmontowany i czy ma prawidłową charakterystykę choć cały czas ta sprawa zaprząta moją uwagę. Na płycie transceivera w tym kroku jest niewiele pracy. Należy jedynie zamontować gniazda pod oba filtry polifazowe.

schemat_krok 5   montaż_krok 5   montaż_f_pol



Krok6 - wzmacniacz/sumator wstępny m.cz
Stopień współpracuje poprzez przełącznik wprost z mieszaczem Tayloe. W tym stopniu następuje odpowiednie sumowanie sygnałów z mieszacza i przesłanie ich do filtra polifazowego. Zastosowane tu wzmacniacze operacyjne decydują w znacznym stopniu o szumach całego odbiornika dlatego pracują tu pojedyncze, niszkoszumne układy NE5534



Ze względu na symetrię układu elementy identyczne (w szczególności rezystory 2.7k, oraz 300 omów a także kondensatory 2.2uF) na schemacie powinny być dobierane. W tym stopniu znajduje się również obwód polaryzacji wejść wszystkich wzmacniaczy wstępnych (dwa rezystory 10k oraz filtr 10uF/100k). Napięcia stałe i zmienne z wyjść poszczególnych wzmacniaczy są odpowiednio sumowane i przenoszone dalej poprzez filtr polifazowy na wejście wzmacniacza U13a więc dopiero teraz możliwe jest prawidłowe zmierzenie poziomu napięcia stałego na wyjściu tego układu. Pomiędzy mieszczaczem Tayloe a wzmacniaczami znajduje się przełącznik- klucz FST3125 sterowany sygnałem doprowadzonym do pinów 1, 4 10 i 13. Przy odbiorze piny te znajdują się na niskim potencjale i klucz przewodzi umożliwiając pracę odbiornika. Przy nadawaniu sygnał +Tx polaryzuje te piny napięciem +5V (ograniczonym za pomocą diody zenara 5.6V) i klucz przestawiony zostaje w stan wysokiej impedancji. Właściwą pracę klucza można zbadać po zamontowaniu mieszacza na drugim układzie FST3125 oraz zamontowaniu układów polaryzacji mieszacza ale już teraz można stwierdzić, że dotykając do wejść 2, 5, 9 i 12 słychać silny przydźwięk w głośniku co świadczy o otwarciu klucza przy braku sgnału +Tx.

  

Montaż tej części należy zacząć od połączeń przelotek zwor z obu stron płytki jak zaznaczono na rysunku montażowym. Część z tych połączeń wykonywana jest już teraz na rzecz przełącznika w torze nadawczym. Okazało się, że w tej części obwodu drukowanego zrobiłem błąd w prowadzeniu ścieżki z wyjścia układu U11 do wejścia 1d filtra polifazowego. Zamiast wyprowadzić sygnał z wyjścia układu (pin 6) wyprowadziłem go z końcówki 8. Należy więc od ścieżki do wejścia 1d filtra odciąć pin 8 układu U11 (w pobliżu pinu 8) a odciętą ścieżkę dołączyć do pinu 6 za pomocą cienkiej srebrzanki tak jak to pokazuje rysunek montażowy. W tym stopniu montowany jest pierwszy z przełączników FST3125. Montaż odbywa się na spodzie głównej płytki transceivera bezpośrednio na ścieżkach drukowanych. Podobnie jak przy montażu elementów smd zalecam użycie małej ilości cyny i odpowiedniej ilości topnika a także lutownicy z odpowiednio cienkim grotem oraz szkła powiększającego. Po zamontowaniu układu należy sprawdzić omomierzem z sygnalizatorem czy nie ma niepotrzebnych zwarć pomiędzy końcówkami oraz czy same końcówki dolutowane są prawidłowo do płytki przykładając końcówki omomierza do wyprowadzeń bezpośrednio przy korpusie układu oraz do odpowiednich ścieżek połączonych z badaną końcówką

schemat_krok 6   montaż_krok 6



Krok7 - formowanie sygnału heterodyny
Mieszacz Tayloe wymaga do pracy sterowania czterema sygnałami przesuniętymi w fazie o 90 stopni dla każdego okresu sygnału odbieranego. Oznacza to, że heterodyna powinna mieć częstotliwość cztero krotnie większą od częstotliwości odbieranego sygnału. Zwykle sygnał ten wykorzystywany jest w liczniku liczącym do 4 dając na wyjściu licznika 4 sygnały sterujące mieszaczem Tayloe, które trwają 1/4 okresu odbieranego sygnału i są jednocześnie przesunięte w fazie o 90 stopni względem siebie. Ze względu na wysokie częstotliwości jakie działają w tej części układu zastosowane elementy TTL powinny mieć wysoką częstotliwość pracy a więc powinny to być układy HC a najlepiej typu AC. Zamiast tranzystora 2N2222 można użyć tranzystora impulsowego np. 2N2369.



Układ jaki zastosowałem do sterowania mieszacza Tayloe pozwala na użycie heterodyny o częstotliwości tylko dwukrotnie większej niż częstotliwość odbierana co istotnie zmniejsza wymagania dla zakresu działania heterodyny (dla pasma 14MHz heterodyna ma 28MHz zamiast 56MHz w układzie klasycznym). Układ sterowania działa jak podwajacz częstotliwości sygnału sterującego reagując zarówno na narastające jak i na opadające zbocza sygnału heterodyny. Sygnał heterodyny jest wstępnie wzmocniony i ograniczony na tranzystorze 2N2222 a następnie podany na linearyzowaną bramkę U1a. Na wyjściu tej bramki sygnał powinien mieć postać cyfrową TTL o charakterze symetrycznym. Najlepszym sprawdzianem tej części układu może być obserwacja sygnału Z na ekranie oscyloskopu przy najwyższej możliwie częstotliwości sterowania. Poprawny (symetryczny) kształt tego sygnału zapewni skuteczność działania mieszacza Tayloe oraz dobre parametry na tym oraz na niższych pasmach. Taka obserwacja wymaga jednak oscyloskopu o paśmie przenoszenia co najmniej 3 krotnie większym od częstotliwości obserwowanej. Symetrię sygnału Z można poprawić dobierając opornik polaryzujący bazę tranzystora 2N2222 oraz odpowiednio kształtując sam sygnał heterodyny. Bramki typu OR U1b i U1c zapewniają właśnie reagowanie zarówno na narastające jak i na opadające zbocza sygnału Z co stanowi o możliwości obniżenia częstotliwości o połowę. Sygnały na wyjściach tych bramek: A i B, są przesunięte względem siebie o 180 stopni. Przerzutniki U2a i U2b dzielą sygnały A i B na 2 a bramki U3a-d i U4a-d zapewniają, że z sygnałów wyjściowych przerzutników: C i E, tworzone są 4 sygnały sterujące mieszacz Tayloe o odpowiedniej długości i w opowiedniej fazie. Dodatkowo, sygnał K pozwala na odwrócenie kolejności sygnałów sterujących mieszczaczem Tayloe co w praktyce oznacza zmianę odbieranej wstęgi.


Tą część układu należu montować jak poprzednie zaczynając od połączeń przewlekanych z obu stron płytki. Zwracam uwagę, że i w tej części jeden z otworów nie ma wytrawionego pola masy i trzeba wykonać odpowiednie rozwiercenie otworu za pomoca wiertła. Odpowiednie miejsce zostało zaznaczone na rysunku montażowym. Zalecam użycie pod układy scalone podstawek wykonanych z linijki pinów precyzyjnych. Zalecam również aby wyprowadzenia sygnału przełącznika wstęgi oraz wejścia generatora wykonane zostały jako łączówki pinowe co pozwoli na łatwiejsze operowanie płytką, demontaż itp. Przystępując do sprawdzenia tej części ukłądu należy bez obsadzania podstawek sprawdzić czy na pinach 14 napięcie ma wartość +5V. Wkładając układy scalone do podstawek należy zwrócić uwagę na ich odpowiednią orientację - wszystkie układy zwrócone są wycięciem w jedną stronę, na zewnątrz płytki.


  

Układ formowania sygnału heterodyny został przed wykonaniem zasymulowany za pomocą programu Qucs dla potwierdzenia słuszności rozwiązania. Symulacja obejmuje część układu od sygnału Z do uzyskania sygnałów sterujących mieszaczem Tayloe a więc od bramek U1b-c do bramek U4a-d. Układ jest sterowany sygnałami 0 i 1 oznaczającymi dołączenie odpowiednich końcówek do logicznego zera lub logicznej jedynki oraz sygnałem zegara Z, który jest sygnałem prostokątnym o charakterystyce symetrycznej reprezentującym sygnał heterodyny o częstotliwości dwukrotnie większej od częstotliwości odbieranego sygnału. Sygnał S1 symbolizuje stan przełącznika odbieranej wstęgi i w przyjętej symulacji dla pierwszych 10 odcinków analizowanego czasu ma on wartość logicznego zera a dla 10 kolejnych odcinków wartość logicznej jedynki. Sygnały wyjściowe, sterujące mieszacz Tayloe oznakowane są w symulacji kolejno symbolami AA, BB, CC i DD. Jak wynika z symulacji okres sygnału Z zajmuje 2 odcinki czasu, na które przypadają 2 impulsy sterujące AA-DD. Pełna sekwencja impulsów wyjściowych AA, BB, CC i DD wymaga tylko dwóch okresów zegara Z i stąd wynika możliwość użycia heterodyny o częstotliwości zaledwie dwukrotnie większej od częstotliwości odbieranej. Jak widać z symulacji, dla pierwszych 10 odcinków czasu analizy sygnały sterujące mieszaczem (logiczne zero) pojawiają się w kolejności AA, BB, CC i DD. W punkcie 10n następuje zmiana stanu sygnału K, odpowiedzialnego za odbiór odpowiedniej wstęgi, na przeciwny co powoduje, że kolejność impulsów sterujących zmienia się na DD, CC, BB i AA. Oznakowania sygnałów użyte na symulacji zostały przeniesione na schemat tej części urządzenia. Sygnały te najlepiej jest obserwować na urządzeniu posiadającym co najmniej 2 kanały oraz odpowiednio duże pasmo aby prawidłowo odzwierciedlić kształt i wzajemne położenie impulsów (sygnał cyfrowy 10MHz wymaga pasma wzmacniacza oscyloskopu co najmniej 30 MHz aby zachować w przybliżeniu kształt obserwowanego sygnału cyfrowego). Sprawdzenie układu najłatwiej jest sprawdzić przez porównanie stanów opisanych w symulacji z sygnałami zmierzonymi na płytce za pomocą oscyloskopu używając częstiotliwości heterodyny kilkukrotnie mniejszej niż pasmo pracy wzmacniacza Y posiadanego oscyloskopu. Działanie układu można sprawdzić również w nieco prostszy sposób używając generatora prostokątnego o małej częstotliwości (kilka Hz) oraz 4 diod LED podłączonych katodami do wyjść AA, BB, CC i DD oraz poprzez oporniki 1-4.7k anodami do napięcia +5V. W zależności od stanu sygnału K diody powinny się zapalać w kolejności AA, BB, CC i DD lub DD, CC, BB i AA. Sygnał generatora prostokątnego powinien być dołączony do pinu 9 bramki U1a a częstotliwość przełączania się diod powinna być 2 krotnie większa niż częstotliwość sygnału sterującego. .

schemat_krok 7   montaż_krok 7



Krok8 - mieszacz Tayloe
W roli mieszacza działa układ przełącznika typu FST3125 (CBR3125). Przełącznik ma cztery wejścia i cztery wyjścia sterowane za pomocą czterech sygnałów z układu formowania heterodyny. Przełącznik jest otwarty jeśli sygnał sterujący ma niską wartość (logiczne 0). Poszczególne przełączniki otwierane są na 1/4 okresu odbieranego sygnału tworząc na wyjściu zestaw sygnałów przesuniętych w fazie co 90 stopni sterujących filtrem polifazowym.



Właściwa kolejność przełączania poszczególnych przełączników decyduje o prawidłowości odbioru sygnału oraz o wytłumieniu drugiej wstęgi. Zmiana odbieranej wstęgi odbywa się przez zmianę kolejności działania poszczególnych przełączników na przeciwną. Układ przełącznika wymaga do normalnej pracy polaryzacji wejść z napięcia mającego w przybliżeniu wartość równą połowie napięcia zasilania stąd w obwodzie zasilania działa dzielnik napięcia oraz filtr zasilania. Na wyjściu przełącznika znajdują się kondensatory 1nF oraz 0.1uF, które z opornikami 100 omów 'zapamiętują' sygnał o odpowiednim przesunięciu w fazie.

  

Montaż należy rozpocząć od wykonania połączeń przewlekanych. Układ scalony przełącznika należy montować metodą montażu powierzchniowego od strony druku. Zasada lutowania tego układu została opisana wcześniej a mówiąc w skrócie wymaga cienkiego grotu, dobrego smarowania topnikiem oraz minimalnej ilości użytej cyny.



Ten etap kończy budowę odbiornika w jego podstawowej części. Mając uruchomione wcześniejsze stopnie oraz heterodynę można przeprowadzić pierwsze uruchomienie odbiornika. Do płytki należy dołączyć słuchawki, potencjometr, antenę oraz hetrodynę a na końcu zasilanie. Słuchając na pasmach do 10MHz należy pin przełącznika wstęgi zewrzeć do masy co odpowiada odbiorowi dolnej wstęgi.

schemat_krok 8   montaż_krok 8



Krok9 - filtry oktawowe w.cz.
Do wstępnej selekcji sygnału podawanego na wejście odbiornika użyte zostały filtry oktawowe zbudowane w postaci oddzielnych modułów o jednkowej konstrukcji montowanych do górnej płytki transceivera w odpowiednich gniazdach. Filtr oktawowy w przybliżeniu działa w zakresie od F1 do 2xF1 a cały zakres od 0-30 MHz został podzielony na podzakresy: 0.2-1.0MHz, 1.0-2.0MHz, 2.0-4.0MHz, 4.0-8.0MHz, 8.0-16MHz oraz 15-30MHz. Wprawdzie filtry oktawowe działają szerzej niż typowe wąskie filtry pasmowe i zapewniają mniejsze tłumienie poza pasmowe to są prostsze w budowie oraz obejmują cały zakres pasm amatorskich umożliwiając odbiór również poza pasmami amatorskimi.


    

Każdy z fitrów zbudowany jest jednakowo jako połączenie dwóch obwodów równoległych z jednym obwodem szeregowym. Ze względu na symetrię schematu układ jest również symetryczny z punktu widzenia sterowania. Symulacja pokazuje, że charakterystyki filtrów obejmują założone zakresy pracy a ich charakterystyki sumują się dla całego pasma 0.2-30MHz.

              

Montując płytki filtrów należy zwrócić uwagę, że niektóre elementy dołączane do masy (niektóre indukcyjności, pojemności i rezystory) muszą być dołączone do masy od strony metalizacji. Układ filtrów pasmowych w.cz. montowany jest na górnej płytce transceivera. Prawidłowe działanie tej części wymaga uruchomienia odpowiedniego filtra w zależności od częstotliwości pracy. W tym celu odpowiednie sygnały sterujące wytwarza układ DDS za pomocą trzech linii sterujących kierowanych na wejścia A, B i C dekodera 1 z 10 CD4028. Dokładniejsy opis tego rozwiązania zawiera opracowanie w kroku 10. Na rysunku pokazano jedynie jak sterować pojedynczym filtrem pasmowym aby zapewnić jego działanie. Sterowanie polega na połączeniu pinu 5 płytki filtra z pinem 1 gdzie dołączone jest zasilanie.

schemat/montaż_krok 9   sterowanie filtra



Krok10 - wzmacniacz w.cz.
Wzmacniacz współpracuje z filtrami pasmowymi w.cz i działa zarówno przy odbiorze jak i przy nadawaniu. Ten element odbiornika poprawia czułość odbironika, która ze wzmacniaczem powinna mieć wartość poniżej 1uV oraz pozwala lepiej rozłożyć wzmocnienie w torze nadajnika pomiędzy poszczególne stopnie poprawiając stabilność układu. Wzmocnienie wzmacniacza wynosi ok. 3-5 razy (10-14dB). Większość elementów w tym kroku montowana jest od strony druku. Montaż należy rozpocząć od wykonania połączeń masy pomiędzy gniazdami filtrów pasmowych. Uruchomienie wzmacniacza polega na takim dobraniu rezystora pomiędzy bazą a kolektorem (na schemacie 1k) aby uzyskać na końcówkach tranzystora napięć zbliżonych do wartości na schemacie.


    

Wzmacniacza montowany jest na górnej płytce transceivera. Z jego montażem należy zamontować również wsporniki filtrów pasmowych, przekaźniki O/N oraz sterowanie tych przekaźników. Montaż wymaga również wykonania połączenia odcinkiem kabla ekranowanego wejścia filtrów pasmowych z przekaźnikami O/N. Właściwy filtr pasmowy włączany jest przez dekodowanie sterowania z trzech linii sterujących z generatora DDS. Niestety, wskutek błędu w opracowanym druku kolejność sygnałów sterujących na płytce DDS-a i na płytce filtrów nie została zachowana więc wykonując połączenie kablowe należy na to utrudnienie zwrócić uwagę. Po prawidłowym wykonaniu kabla nie można również zamieniać miejscami wtyku od strony DDS-a i wtyku od strony płytki filtrów. Logika sterowania filtrami pokazana została w kroku 9. Sterowanie odbywa się za pomocą trzech sygnałów w kodzie BCD, które dekoduje układ dekodera 1 z 10 CD4028. Badanie działania układu przełączania filtrów najlepiej jest przeprowadzać po dołączeniu sterowania z układu DDS. Załączanie i wyłączanie odpowiednich filtrów powinno następować na granicy częstotliwości 1MHz, 2MHz, 4MHz, 8MHz i 15MHz. Zamiast sterowania z DDS-a można podać na wejście układu CD4028 napięcia odpowiadające stanom podanym w opisie w kroku 9 pamiętając, że logiczna "1" to napięcie 5V a logiczne "0" powinno być związane z podłączeniem końcówki do masy. Trzecia metoda testowania wymaga usunięcia z podstawki układu CD4028 i podłączania kolejno do napięcia +5V końcówek 1,2,3,4,6,7 co powinno załączać przekaźnik odpowiedniego filtra pasmowego. Ta ostatnia metoda sprawdza jedynie działanie logiki filtrów nie testując działania dekodera i sterowania z układu DDS.

schemat krok 10   montaż krok 10   ster DDS



Krok11 - automatyka
Ta część transceivera stanowi wspólną część urządzenia z dodatkowymi funkcjami głównie podczas nadawania. W konstrukcji zastoowany został cyfrowy układ CMOS CD4093 oraz kilka tranzystorów pracujących jako klucze.


    

Wejście key powinno być dołączone do klucza podczas pracy cw oraz do przycisku PTT podczas pracy SSB. Gdy wejście to jest rozwarte to na pinie 4 U18b napięcie jest zbliżone do zera co powoduje, że na pinie 11 U18b napięcie jest bliskie +12V i służy do sterowania kluczy w części nadawczej a na pinie 10 U18c ma wartość bliską 0 wyłączając klucze części nadawczej. Kluczowanie wejścia key powoduje oczywiście zmianę stanów na wyjściach Rx i Tx, które są wzajemnie zanegowane. Podczas pracy cw kształt impulsu cw jest kształtowany za pomocą oporników 10k oraz 3.3k połączonych z kondensatorem 4.7-10uF za pomocą diod kierunkowych. Opornik 3.3k jest odpowiedzialny za narastanie impulsu cw a opornik 10k za jego opadanie. Podczas pracy cw wejście cw powinno być dołączone do napięcie +5V (sygnał z generatora dds lub si570). Powoduje to uruchomienie generatora ok. 800Hz na układzie U18a oraz dołączenie do masy kondensatora opóźnienia cw 4.7-10uF. Częstotliwość tonu cw można zmienić dobierając pojemność 0.1uF oraz rezystor 13k dołączone do pinu 1 U18a. Właściwy czas opóźnienia przejścia na odbiór przy cw może być dobrany za pomocą rezystora nastawnego 100k.

schemat krok 11   montaż krok 11



Krok12 - wstępne formowanie sygnału cw/ssb
W tej części montowane są układy odpowiedzialne przede wszystkim za formowanie wstępne sygnałów cw i ssb.


  

Układ U17b to wzmacniacz m.cz sygnału z mikrofonu. Jeśli używany będzie sygnał z mikrofonu z typowego zestawu komputerowego (elektretowy) wtedy mikrofon powinien być zasilany co wymaga założenia zwory. Wzmocnienie ograniczane jest za pomocą układu złożonego z dwóch diod oraz opornika 3.3k w pętli ujemnego sprzężenia zwrotnego wzmacniacza U17b. Daje to efekt kompresji sygnału ssb. Dodatkowo, wzmocnienie ukałdu jest redukowane do zera za pomocą sygnalizacji z układu automatyki: podczas odbioru i pracy cw. Zapewnia to klucz na tranzystorze FET włączony również w pętlę sprzeżenia zwrotnego tego wzmacniacza. Układ U15a wzmacnia sygnał z mikrofonu lub sygnał cw. Aby emisja cw i ssb miała mniej więcej równy poziom należy dobrać rezystor 1k na wejściu 2 U15a tak aby na wyjściu U15b poziom napięcia zmiennego był w przybliżeniu równy dla obu typów emisji. Rezystor nastawny 50k w obwodzie sprzężenia U15a pozwala na regulację wzmocnienia sygnału wspólnego. Właściwe formowanie pasma sygnału ssb zapewnia filtr pasmowy identyczny jak w torze odbiorczym.

schemat krok 12   montaż krok 12



Krok13 - formowanie sygnału nadajnika
Układ formowania sygnału nadajnika wykonywane jest w sposób odwrotny do tego jaki został użyty do detekcji sygnału w torze odbiorczym. Uformowany w pasmie akustycznym sygnał jest kierowany do fitru polifazowego gdzie zapewnione jest odpowiednie przesuniecie w fazie czterech składowych sygnału a następnie zsumowany w odpowiedniej fazie w mieszaczu Tayloe


    

Ze względu na rezystory użyte pod układami U12 i U16 należy zastosować podstawki układów scalonych z odpowiednią przestrzenią w środkowej części lub linijki pinów precyzyjnych. W części nadawczej użyty został filtr polifazowy identyczny jak w części odbiorczej. Oba te filtry powinny być, podobnie jak wzmacniacze pasmowe w torze m.cz, wzajemnie zamienne. Należy zwrócić uwagę na dobór rezystorów przy wzmacniaczach U12 i U16. Wszystkie rezystory powinny być dobierane parami i czwórkami. Separację sygnału nadajnika w kierunku mieszacza Tayloe zapewnia układ U17 montowany jako ostatni po stronie druku głównej płytki transceivera. W ten sposób większość prac montażowych zostaje zakończona. Ostatnią czynnością powinno być wykonanie wszystkich połączeń kablowych oznakowanych na rysunku montażowym przerywananymi liniami w kolorze niebieskim, zielonym i purpurowym.

schemat krok13   montaż krok 13



Krok14 - Uruchomienie - odbiornik
Jeśli montaż układu przebiegał zgodnie z podaną kolejnością lub też wyniki pomiarów są zblizone do podanych na rysunku to jest duża szansa, że z uruchomieniem urządzenia nie będzie problemu. Ostatnim elementem przed uruchomieniem układu jaki należy wykonać jest połączenie przewodów sterujących związanych z nadawaniem i odbiorem zaznaczonych na rysunkach kolorami: zielonym, niebieskim oraz purpurowym.



Jeśli jednak coś poszło nie tak proponuję wykonać następujące czynności sprawdzające:
    Sprawdzenie należy przeprowadzać kolejno od ostatniego stopnia posuwając się od głośnika w kierunku anteny
    Podstawową czynnością kontrolną powinno być sprawdzenie czy końcówki układu nie są zwarte między sobą lub do masy i zasilania (oczywiście poza końcówką masy i zasilania)
    Kolejno należy sprawdzić czy napięcia na wyjściach wszystkich układów scalonych (wzmacniaczy) toru odbiorczego mają wartość około połowy napięcia zasilania. Jest to skorelowane z podobnymi wartościami na wejściach (+) i (-) badanego układu. Jeśli napięcia na wyjściu znacząco odbiegają od połowy napięcia zasilania należy sprawdzić, na którym wejściu napięcie w podobny sposób różni się od połowy zasilania. Usunięcie niezgodności napięcia na wejściu powinno usunąć również odchylenie napięcia na wyjściu wzmacniacza. Oczywiście należy wyeliminować przy tym trywialne przypadki zwarcia wyjścia do masy lub zasilania co można sprawdzić omomierzem.
    Oczywiste sprawdzenie toru odbiornika polega na dotknięciu wejścia każdego z układów i sprawdzenie czy powoduje to powstanie charakterystycznego "brumu". Brak tej reakcji na kolejnym stopniu wskazuje na jego dysfunkcję wskazując na miejsce powstania błędu.
    Sprawdzenie mieszczacza Tayloe najlepiej wykonać za pomocą oscyloskopu. Poprawna praca mieszacza wymaga aby sygnały w punktach AA BB CC i DD (krok 8) powinny być prostokątem o wypełnieniu 1/4 i wzajemnym przesunięciu w fazie o 1/4 okresu. Bez oscyloskopu można cały tor formowania sygnału sterującego mieszaczem sprawdzić za pomocą generatora o częstotliwości od kilku do kilkunastu Hz dołączonego do wejścia heterodyny (lub wprost na bazę tranzystora przez opornik kilkaset omów). Sygnał z generatora powinien mieć przebieg prostokątny z poziomem TTL (0-5V). Dodatkowo, w punktach AA BB CC i DD należy dołączyć do masy diody LED szeregowo z opornikiem 1k katodą w stronę masy. W prawidłowo działającym układzie formowania da się zauważyć rytm działania poszczególnych diod zapalających się lub gasnących na okres 1/4 cyklu w określonym porządku. Zmiana stanu wejścia USB/LSB (zwarcie tego wejścia do masy) powinno odwrócić porządek zapalania się /gaśnięcia diod. Brak opisanej funkcjonalności systemu formowania na pewno spowoduje nieprowidłowości w działaniu (brak wytłumienia wstęgi) lub nawet całkowitą dysfunkcję mieszacza. Na podobnej zasadzie (generator o małej częstotliwości i diody LED z szeregowymi opornikami) pozwolą na kontrolę stanu sygnałów we wcześniejszych stopniach formowania.
    Pośrednim sposobem sprawdzenia poprawności pracy działajacego odbiornika jest ocena tłumienia drugiej wstęgi co można sprawdzić odstrajając się w obie strony od "zer" sygnału i/lub przez miane odbieranej wstęgi. Dokładniejsze sprawdzenie stopnia wytłumienia wstęgi nie jest niestety łatwe :-(.



Krok15 - Wzmacniacz mocy nadajnika
Nadajnik mieści się na górnej płytce transceivera i w przeważającej części zmontowany jest metodą powierzchniową. Pozwala to na zmianę wartości elementów podczas uruchomienia stopnia mocy..


    >  

Wzmacniacz mocy jest dwustopniowy. Sygnał wzmocniony we wspólnym wzmacniaczu z filtrami pasmowymi doprowadzony jest do drivera stopnia mocy na tranzystorze 2N3866. Wzmocnienie tego stopnia regulowane jest przez pętlę sprzężenia C-E z opornikiem 220 omów i dławikiem 3.3uH oraz obwodem RC w emiterze (10nF oraz 3.3 om. Opornik 3.3 ohma został wykonany z trzech oporników 10 omów połączonych równolegle. Właściwy stopień mocy działa na przeciwsobnym wzmacniaczu z tranzystorami mosfet IRF510. Punkt pracy tych tranzystorów ustawiony jest za pomocą potencjometru 10k w taki sposób aby prąd spoczynkowy miał wartość 50-80mA. Takie warunki można ustawić mierząc prąd jaki pobiera cały trx podczas nadawania regulując prąd startując od położenia suwaka potencjometru w pobliżu uziemionego końca kiedy stopień mocy jest zablokowany. Stabilność pracy wzmacniacza końcowego zapewniają obwody RC działające pomiędzy drenem a bramką tranzystorów. Transformator Tr2 zasila stopień mocy a Tr3 służy do odprowadzenia mocy w.cz. Nawijając transformatory należy zwrócić uwagę na sposób połączenia uzwojeń sygnalizowany na schemacie kropką przy początku każdego uzwojenia. Ostatnie zdjęcie pokazuje transceiver zamknięty w obudowie i gotowy do pracy.


    schemat krok 15   montaż krok 15




    cdn...



wstecz
wróć do opisu transceivera DC01