System sterowania gotopl składa się zasadniczo z trzech części: - Sterowników silników krokowych i układów dopasowujących. Przykład takiego rozwiązania dla MTO znajdziesz tu. - Oprogramowania użytkowego gotopl. Na rys.1 pokazany został pełny system sterowania gotopl |
![]() |
|
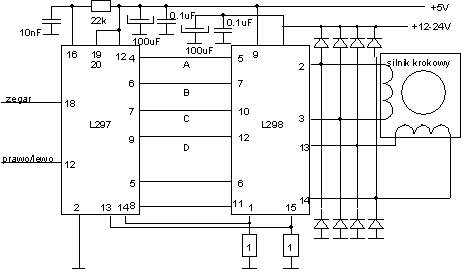
| W swojej podstawowej formie sterowanie w jednej osi (Ra dla montaży paralaktycznych lub astrografów (koziołków)) wymaga AstroPilota oraz sterownika dla jednego silnika krokowego. Sterownik może być dowolnego typu posiadający wejścia TTL: zegara impulsów oraz kierunku ruchu. Dodatkowo może posiadać także wejście TTL enable/disable (odłączenie od zasilania). Przykład takiego sterownika mającego przłożenie elektryczne 400 (400 kroków sterujących na jeden obrót osi silnika) znajdziesz tu. W tym przypadku nie działa oczywiście oprogramowanie goto ale można korzystać ze wszystkich funkcji AstroPilota dla osi Ra. | ![]() |
|
| Układ sterowania w dwóch osiach wymaga oprócz AstroPilota dwóch sterowników i dwóch silników krokowych. Uzyskujemy w tym wypadku możliwości jak dla jednej osi czyli trzy prędkości automatyczne: gwiazdową, lunarną i solarną (dla montaży paralaktycznych) oraz pięć prędkości ręcznych. Zestaw można, programując we własnym zakresie AstroPilota, dopasować praktycznie do każdego montażu. Możliwość korekty prowadzenia w obu osiach predystynuje ten zestaw do astrofotografii. Oczywiście dla montaży systemu Alt/Az (dobsony) taki zestaw pozwala jedynie na prowadzenie ręczne. | ![]() |
|
| Elektronika układu gotopl ma charakter modułowy. Pozwala na budowanie systemu sterowania od jednego sterownika silnika krokowego do pełnego systemu sterowania goto. Podstawą układu jest płytka drukowana, na której zmontować można oba sterowniki silników oraz logikę. Na oddzielnej płytce znajduje się układ do połączenia z komputerem PC. Cały układ mieści się w obudowie 90/140/50mm. Uzupełnieniem układu jest zasilacz 14V/2A. | ![]() |
|