poprzedni

następny
powrót

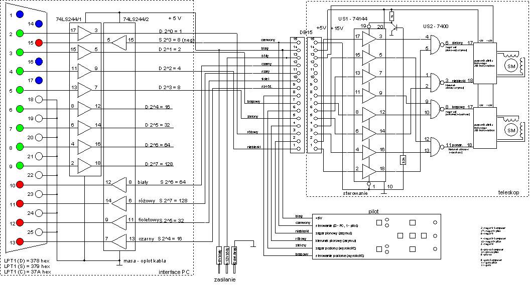
Rys.3. Połączenie z PC

Układ jest kompletnym opisem połączenia wzajemnego PC z napędem i pilotem sterującym i jakkolwiek wygląda bardzo 'groźnie' zawiera tylko 4układy scalone. Dwa z nich mieszczą się w napędzie MTO i stanowią bezpośrednie połączenie ze sterownikami silników krokowych a dwa pozostałe buforują port drukarki i zamontowane są w nieco powiększonym wtyku do portu drukarki - DB25. Na rysunku pokazałem też zaciski zasilania. Całość pracuje z dwoma napięciami: 5V (ok. 0.8A) oraz 12-24V (0.5 - 1A).