Odbiornik Krzysztofa to według jego opisu:
*ja mam rxa własnej roboty na wszystkie pasma łącznie z 6m, jest na bazie dds z ad9851 ale nie pracuje bezposrednio na vfo tylko jest dzielnik przez 100, cd4046 jako pll i wzmacniacz błędu który steruje zew. generatorami w zakresie 50 d0 110 mhz przy 1 pcz 45mhz, ciężko było to zestroić ale udało się i rx pracuje, ale mimo to nie jestem zbytnio zafascynowany, ogolnie jest czysto, ale mimo bardzo dobrego ekranowania i prowadzenia przewodów, nadal jest słyszana praca cyfrowa jeżeli przekręcam encoder albo naciskam jakieś klawisze to pyka w glośniku delikatnie i nie mogę w zaden sposob tego zlikwidować, no ale w trakcie pracy jest ok*
Na początek kilka zdjęć układu Tiny DDS jaki zrobił Krzysztof
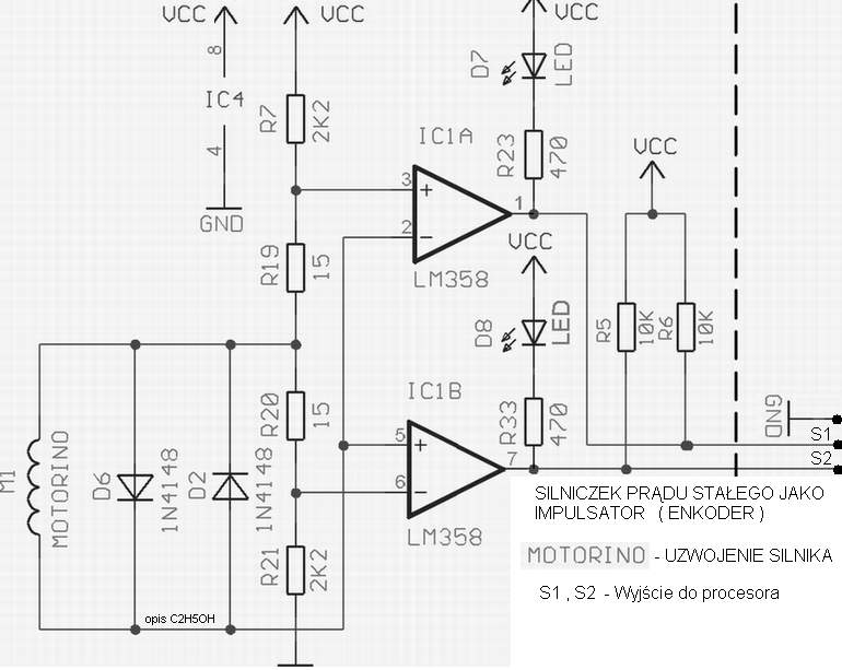
Po wstępnych próbach Krzysztof zdecydował się zbudować własny impulsator wykorzystując silnik prądu stałego oraz system dyskryminatora na dwóch wzmacniaczach operacyjnych według schematu:
A oto kilka zdjęć odbiornika:
A oto kilka uwag Krzysztofa po zastosowaniu jako heterodyny układu Tiny DDS:
*nasłuchiwałem na skanerze częstotliwości z ddsa od 3,500 do 10mhz i muszę przyznać, że jest czyściutko, w porownaniu z generatorami np. mc1846 gdzie słychać go w całym paśmie, pomimo pojedynczego obwodu pi na wyj. dds układ daje dosyć dobrą fwyj. nawet sam czestosciomierz to potwierdza np mierząc 7mhz przed pifiltrem, wskazania dziwnie się zachowują,natomiast za filtrem bardzo stabilnie *
*miałem dużo problemow z zestrojeniem wszystkich obwodow ale uporałem sie z tym, na razie mam uruchomiony człon na 20m, chodzi pięknie, jedynie mam problem z piszczałkami w niektorych miejscach ale wiekszość usunąłem rozbudowując filtr na wyjściu dds o kolejne stopnie lpf, potrzebowałbym porządny schemat lpf już obliczony właśnie na częstotliwość od 3,4 do 7,3mhz,bo na takiej wlaśnie czestotliwości generuje moj dds przy 10,7mhz pcz,i to najlepiej na 3 obwody albo i wiecej, to by zalatwilo sprawe*
*ok, fajnie, sygnał jest bardzo dynamiczny mimo arw ale osobiście podoba mi się, bardzo dużo pracy poświeciłem na filtrowaniu sygnalu, ale najważniejsze niepożądane sygnały zgubiły się dopiero jak włożyłem rezystor 24ohm między wej mieszacza sbl-1 a masę, w paru miejscach mam parę gwizdów ale nie potrafię już ich wyelminować, ale nie przeszkadzają w sumie, jak zauważyłem ważna jest a nawet najważniejsza antena, u mnie jest typowo na 20m, dlatego słabiej mi wychodzi sygnal na 80m no i trzeba przyznać, że zakłócenia na tym pasmie sa duzo wieksze niz na 20m,,ale jest to bardzo czytelne,,mialem tez sporo klopotow z wysterowaniem dwoch odzielnych przekaznikow w przełączaniu pasm jako że wychodzi tylko jeden pin z at8 i jest albo 0 albo 1 to musiałem zastosować tranzystory w układzie darlingtona by 5V przekazniki mialy się zamiar przełączyć, ale jak na jedną posrednią to jestem bardzo zadowolony, teraz muszę to wpakować do skrzynki i płytę czołowa zrobić*
Na razie dysponuję tylko poniższym schematem urządzenia, mam nadzieję, że Krzysztof znajdzie czas aby dokończyć opis. Jak się zorientowałem odbiornik ma tylko jedną pośrednią o częstotliwości 10.7MHz
Uzyskałem od Krzystofa również próbki działania odbiornika w pasmach 3.5 i 14 MHz na fonii oraz próbkę strojenia sygnału przy kroku strojenia 10 i 10Hz
fonia 80m |
fonia 20m |
strojenie co 10Hz |
strojenie co 100Hz |
Z Nowym Rokiem (2009) otrzymałem od Krzysztofa najbardziej aktualny opis jego urządzenia:

oraz pliki .rar z odsłuchu stacji cw/fone/rtty na pasmach 80m i 20m (użyj prawego klawisza i akcji "Zapisz element docelowy jako"):
