.Obie osie teleskopu napędzane są za pomocą jednakowych systemów napędowych co pozwoli na uproszczenie konstrukcji mechanicznej. Podstawa napędu zrobiona jest z profilu aluminiowego C 25/45/2.5mm, na którym zamocowana jest łożyskowana śruba napędowa i wspornik silnika z silnikiem i paskową przekładnią synchroniczną. Uzupełnieniem konstrukcji napędu jest sprzęgło mimośrodowe pozwalające na błyskawiczne odłączenie napędu od teleskopu co daje możliwość doraźnego przestawienia teleskopu w żądany obszar nieba lub pozwala na pracę ręczną montażu. Działanie napędu a w szczególności sprzęgła wspomaga sprężyna powrotna regulująca jednocześnie docisk śruby napędowej do koła napędowego. |
![]() |
|
Działanie napędu najlepiej widać na rysunku złożeniowym. Do podstawy zamocowane są wsporniki (łożyskujące śrubę napędową) oraz silnik na wsporniku. W punkcie oznakowanym jako A znajduje się oś wokół której może się obracać podstawa napędu przez co śruba napędowa może być złączona z kołem napędowym lub od niego odsunięta. Na przeciwległej stronie napędu wykonany jest podłużny otwór w którym znajduje się druga oś podstawy pozwalająca na ograniczony obrót podstawy wokót punktu A. Osie A i B posiadają szerokie kołnierze dociskające podstawę napędu do podstawy ruchomej teleskopu lub jego bocznego wspornika likwidując luzy w obu osiach. Właściwe położenie śruby napędowej zapewnia sprężyna mocowana do podstawy napędu w pobliżu punktu B. Sprężyna dociska śrubę napędową do kola napędowego a siłę nacisku można regulować poprzez odpowiedni naciąg sprężyny. Z drugiej strony sprężyny znajduje się sprzęgło mimośrodowe wykonane jako koło z dźwigienką mocowane mimośrodowo do podstawy montażu. Zmiana położenia łącznika w zależności od kąta obrotu mimośrodu pozwala na odciągnięcie podstawy wraz ze śrubą napędową na taką odległość od koła napędowego, że następuje odłączenie napędu od osi teleskopu. Po odłączeniu napędu możliwa jest także swobodna praca ręczna.. |
![]() |
|
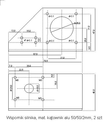
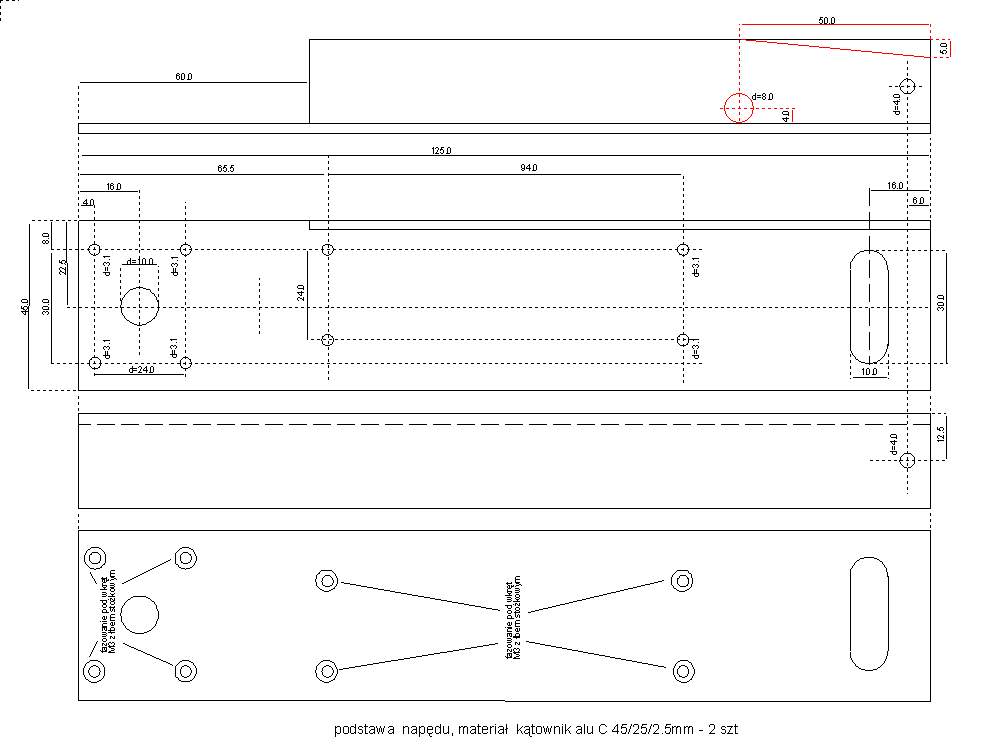
Podstawa napędu wykonana jest z profilu aluminiowego C 25/45/2.5mm z którego usunięta została jedna boczna ścianka i część drugiej ścianki w pobliżu miejsca gdzie mocowany jest wspornik silnika z silnikiem. Na brzegach podstawy napędu wykonane są otwory łożyskujące ruch podstawy zapewniający dołączanie i odłączanie napędu od koła napędowego dla każdej z osi. Jeden z otworów łożyskujących jest otworem podłużnym dającym możliwość obracania podstawy względem drugiego punktu łożyskowania. Wszystkie otwory na śruby mocujące inne elementy napędu (wspornik silnika i wsporniki łożysk śruby napędowej) a znajdujące się na spodniej stronie wspornika przylegającej do podstawy montażu muszą być fazowane pod wkręty z łbem stożkowym aby zapewnić rownoległość podstawy napędu z podstawą montażu. |
![]() |
|
| Łożyskowanie podstawy zapewniają dwie osie z kołnierzami dociskowymi dokręcane do podstawy lub bocznego wspornika za pomocą wkrętów do drewna. Długośc tulei tych osi jest tak dobrana, że podstawa napędu ma możliwość jedynie obrotu wokół osi A bez możliwości unoszenia się w górę co zmniejsza luzy napędu zwłaszcza w przypadku zmiany kierunku ruchu montażu dla kazdej z osi. Średnica tuleii osi B jest mniejsza od szerokości podłużnego otworu łożyskującego w celu umożliwienia ruchu podstawy napędu po łuku a kołnierz tej tulei jest ścięty z jednej strony aby nie ograniczał ruchu podstawy napędu. Oznacza to, że płaszczyzna ścięcia kołnierza powinna być równoległa do głównej osi podstawy napędu w czasie dokręcania osi do podstawy. Jeśli okaże się, że po dokręceniu osi pojawią się opory ruchu podstawy to należy pod tuleję podłożyć krążek dystansowy o grubości 0.1mm i średnicy 10mm. Regulacja docisku osi w punktach A i B do podstawy napędu powinna być tak wykonana, że oś nie powinna tłumić ruchu w płaszczyźnie podstawy przy jedoczesnym silnym ograniczeniu możliwości ruchu podstawy napędu w kierunku prostopadłym do podstawy. | ![]() |
|
| Głownym elementem roboczym układu napędowego jest śruba gwintowana wykonana ze stali nierdzewnej. Śruba ta łożyskowana jest za pomocą dwóch łożysk typu 607 RS (19/6/7mm) umieszconych we wspornikach łożysk. Na jednym z końców śruby napędowej montowane jest koło zębate o 24 zębach współpracujące poprzez pasek zębaty T2.5/4/120mm z kołem o 12 zębach na wale silnika krokowego. Cechą znamienną śruby napędowej jest jej średnica - 18mm dająca dobrą powierzchnię styku naciętego na śrubie gwintu M8 z gwintem śruby na kole napędowym. | ![]() |
|
| Łożyska śruby napędowej zamocowane są w prostopadłościennych wspornikach z wybraniem na łożyska. Łożyska są wklejone do wsporników za pomocą niewielkiej ilości kleju poxipol po wcześniejszym odtłuszczeniu powierzchni łożyska i wspornika za pomocą denaturatu. Należy zwrócić uwagę, że na komplet łożyskowania wchodzą 2 wsporniki (prawy i lewy) stanowiące swoje wzajemne odbicie lustrzane. | ![]() |
|
Przykręcony do podstawy wspornik silnika krokowego zapewnia właściwą odległość osi silnika od osi śruby napędowej niezbędną dla bezluzowego działania synchronicznej przekładni paskowej. Ponieważ otwory mocujące silnik są nieco przewymiarowane to istnieje niewielka możliwość regulacji naciągu paska zębatego przekładni pozwalająca na likwidację luzu jaki może negatywnie wpływać na pracę montażu szczególnie przy zmianie kierunku ruchu w każdej z osi. Do wykonania napędu nalezy używac silników o rozstawie śrub mocujących 31mm w kwadracie. Przykładem może być silnik bipolarny 39BYGH101B z firmy Wobit. |
![]() |
|
| Synchroniczna przekładnia paskowa zapewnia przełożenie ruchu osi silnika na śrubę napędową z przełozeniem 2:1 co oznacza dwukrotną poprawę rozdzielczości sterowania z jednoczesnym zwiększeniem momentu napędowego działającego na koło napędowe dla każdej z osi. Przekładnia ta składa się z pary kół zębatych o 12 zębach (na osi silnika krokowego) i o 24 zębach (na śrubie napędowej) oraz z paska zębatego o długości 120mm. Komplet kól i paska wykonany jest w standardzie T2.5 co oznacza, że odległość pomiędzy zębami wynosi 2.5mm. Szerokość paska wynosi 4mm co jest wiekością typową a jego długość wynosi 120mm. W handlu spotkać można także gotowe koła zębate o 12 i 24 zębach w których należy wykonać tylko otwór centralny dopasowując koło do używanej osi. Alternatywą dla gotowych kół jest wykonanie ich z wałków zębatych co pozwala znacznie zmniejszyć koszty tych elementów. Na rysunku podano sposób wykonania większego koła zębatego z wykorzystaniem pierścionka zębatego odciętego z wałka T2.5/24. Średnica wewnętrzna tego koła dopasowana jest do średnicy śruby napędowej. Silniki krokowe o użytej do napędu wielkości mają średnice osi 5mm a więc mniejsze koło zebate musi mieć otwór centralny równy 5mm. | ![]() |
|
| Sprzęgło napędu wykonane jest w formie koła z mimośrodowym mocowaniem do podstawy. Do jednego z boków koła wkręcona jest dźwignia ułatwiająca operowanie sprzęgłem. Wgórną powierzchnię koła mimośrodowego wkręcony jest także wkręt M3 pozwalający na zamontowanie łącznika pomiędzy kołem a podstawą napędu. Po przeciwnej stronie podstawy napędu zamocowana jest sprężyna powrotna zapeniająca właściwy docisk śruby napędowej do koła i właściwe działania mimośrodu sprzęgła. Ruch sprzęgła ograniczony musi być za pomocą odpowiednio umieszczonego w podstawie montażu sztyftu metalowego (wkrętu) na którym oprze się dźwignia sprzęgła po przekroczeniu punktu równowagi i odciągnięciu śruby napędowej od koła.. | ![]() |
|