wróć do opisu wobulatora |
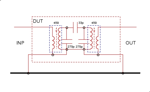
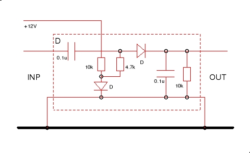
Na początek zalecam zaplanowanie pomiarów. Generator działa dyskretnie co oznacza, że nie będą badane wszystkie częstotliwości od częstotliwości startowej F do częstotliwości końcowej F+D ale jedynie częstotliwości: F, F+1*(D/N), F+2*(D/N), ...., F+(N-1)*(D/N) oraz na końcu F+N*(F/N) czyli F+D. A zatem jeśli ustawimy zakres pomiarowy D na 2 MHz oraz 50 kroków (co oznacza krok pomiaru 2MHz/50 = 40kHz) i będziemy chcieli zbadać filtr kwarcowy o paśmie 2kHz to najprawdopodobniej nic nie zobaczymy na wykresie bo żaden pomiar nie trafi w pasmo przenoszenia filtru. W takim razie należałoby raczej ustawić zakres D np. na 10kHz (przy 50 krokach mamy rozdzielczość 10000/50 = 200Hz) oraz przestrajać częstotliwość F w okolicach spodziewanej częstotliwości pracy filtra a na pewno uzyskamy jakiś początkowy obraz. Następnie można dokładniej dobrać częstotliwość startową F oraz pasmo D tak, aby przy zadanej ilości kroków N uzyskany wykres odpowiadał rzeczywistej charakterystyce badanego układu. Ważne jest również jaką charakterystykę ma używany układ detektora. Zbadałem więc charakterystykę mojego detektora z diodami BAT 42 i oto ona: ![]() Oś pozioma to wartości szczytowego napięcia w.cz. w [mV] (pomiar wykonywany był w okolicach częstotliwości 5MHz). Na osi pionowej znajdują się wartości napięcia stałego na wyjściu detektora również wyrażone w [mV]. jak widać charakterystyka detektora jest krzywą zbliżoną do linii prostej w zakresie zmienności napięcia z układu wobulatora. Ta liniowa zależność jest prawie na pewno stała w zakresie pracy generatora wobulatora. Używając jednak szerokich zakresów pomiarowych (kilka MHz), szczególnie w górnym zakresie pasma należy brać pod uwagę, że amplituda sygnału z generatora ograniczana jest przez działanie filtru dolnoprzepustowego w Tiny DDS. Nie ma to oczywiście znaczenia jeśli badanie odbywa się w wąskim paśmie (do kilkuset kHz). Kolejnym ważnym elementem jest określenie co właściwie widać na wykresie oscyloskopu. Na początek zajmijmy się osią X (podstawą czasu oscyloskopu). W tym celu ponownie badałem filtr pasmowy w zakresie od 2.2MHz (F) do 4.2MHz (F+D) ![]() Pamiętając, że dla zegara 8MHz oraz dla N=50 pomiarów czas przemiatania zakresu pomiarowego wynosi 50*0.5ms =25ms ustawiłem współczynnik podstawy czasu na 5ms/działkę czyli na całym ekranie na 10*5=50ms. Z porównania powyższych wartości wynika, że dla jednego przebiegu podstawy czasu generator zdąży wykonać dwa przebiegi. ![]() Faktycznie, na ekranie widać dwie charakterystyki przenoszenia filtra co odpowiada dwóm przebiegom generatora wobulatora. Na tym etapie warto ustalić ile czasu zajmuje jeden przebieg generatora. W tym celu należy na charakterystyce filtru, najlepiej na jej płaskiej części wybrać te same punkty a następnie zmierzyć jaka dzieli je odległość w kierunku X. Wybierając na przykład lewy wierzchołek w paśmie przenoszenia filtra można stwierdzić, że jednemu okresowi generatora odpowiada 4.8cm co przy współczynniku skali osi X 5ms/cm daje ok. 24ms (w granicach błędu jest to prawie tyle co wyliczono wcześniej teoretycznie). Jest to szczególnie ważne, kiedy generator wobulatora ma ustawioną nietypową wartość ilości kroków N. Dla 50 kroków lub innej wielokrotności liczby 5 lub 10, wyliczone wartości będą zbliżone do typowych wartości podstawy czasu oscyloskopu. Aby obejrzeć charakterystykę filtra w paśmie przenoszenia można teraz zmienić skalę w osi X na mniejszą. Na kolejnym zdjęciu obraz obserwowany jest dla współczynnika osi X równego 2ms/działkę. ![]() Tym razem na całej skali X oscyloskopu czas to 10*2 = 20ms. Generator wobulatora synchronizuje jednak podstawę czasu oscyloskopu co 24 ms (co ustalono powyżej) więc na ekranie nie mieści się pełen przebieg charakterystyki a tylko 20/24 = 5/6 całego wykresu. Ponieważ zakres przestrajania D wynosi 2MHz więc na ekranie widać tylko 5/6 tego zakresu a więc 5/6*2MHz = ok. 1.7MHz. Przy 10 działakach na skali osi X daje to wartość ok. 170kHz na jedną działkę. Znając więc teraz zależności jakie obowiązują w osi X oraz Y można pokusić się o interpretację charakterystyki przenoszenia filtru. ![]() Tym razem wykres charakterystyki dodatkowo wzbogaciłem o nieistniejące w rzeczywistości linie aby lepiej pokazać miejsca odczytu wartości. Linia czarna to punkt odniesienia czyli przebieg chrakterystyki daleko poza zakresem przenoszenia filtra gdzie sygnał jest teoretycznie tłumiony maksymalnie. Ten poziom należy ustalić na najniższej linii skali oscyloskopu przy częstotliwości F daleko poza pasmem przenoszenia filtra. Linią czerwoną oznaczyłem maksymalną wartość badanej charakterystyki w paśmie przenoszenia. W wartościach skali osi Y maksymalna wartość to 6.8 działki. Na początek warto określić pasmo przenoszenia liczone zwykle na poziomie -3dB. Wartości 3dB odpowiada napięcie równe ok. 0.707 wartości maksymalnej co w tym przypadku wynosi 6.8*0,708 = 4.8 działki. Temu poziomowi odpowiada zielona linia. Linia ta przecina wykres charakterystyki w punktach odległych w kierunku osi X o 2.7 działki co przy wcześniej określonym współczynniku 170kHz/działkę oznacza pasmo 170*2.7 = ok. 460 kHz. Dodatkowo, lewy punkt leży w odległości ok. 4cm od początku skali X więc nasze pasmo przenoszenia zaczyna się na częstotliwości F+4*170= 2.2+0.68 = 2.88MHz a kończy 460kHz wyżej czyli na częstotliwości 3.34MHz. Następnym poziomem jaki warto określić jest poziom -10dB co odpowiada zmianie wartości do poziomu ok. 0,32 wartości maksymalnej. Temu poziomowi odpowiada niebieska linia na wysokości ok. 3.2 działki w kierunku Y a odległość punktów wykresu dla tego poziomu to 4cm czyli 4*170 = ok. 680kHz. Ostatnią wartością jaką uda się odczytać z wykresu to poziom -20dB odpowiadający zmianie poziomu do wartości 1/10 wartości maksymnalnej. Ten poziom reprezentuje linia żółta z odległością punktów 7cm czyli 7*170 = ok. 1.2MHz. Podane wartości odczytane z charakterystyki mają znaczenie wyłącznie dla tej krzywej i dla innej charakterystyki oraz innej skali XY oscyloskopu będą oczywiście inne. Niezmienne zostają jedynie współczynniki redukcji wartości względem wartości maksymalnej dla -3dB (0.708), -6dB (0.501), -10dB (0.32) oraz -20dB (0.1). |
wróć do opisu wobulatora |