wróć do opisu wobulatora |
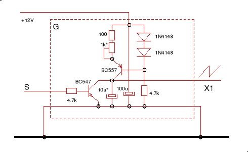
Zasada działania wobulatora polega na badaniu odpowiedzi badanego układu na wyjściu po pobudzeniu go na wejściu sygnałem o znanej i zmieniającej się w czasie częstotliwości. Z pomocą oscyloskopu można dosłownie zobaczyć jak wygląda charakterystyka badanego układu w układzie częstotliwość/wzmocnienie. Jest to więc idealny sprzęt do badania urządzeń radiowych, wzmacniaczy, filtrów, i innych urządzeń pasywnych oraz aktywnych. Widząc w czasie rzeczywistym charakterystykę częstotliwościową układu można dobierać elementy badanego układu tak aby jego parametry odpowiadały założeniom. ![]() Zgodnie z zasadami działania oprogramowania wuobulatora na wyjściu synchronizacyjnym O/N układu Tiny DDS pojawia się impuls synchronizacyjny 5V (logiczna jedynka) trwający 500us a częstotliwość wyjściowa ustawiona zostaje na wartość startową (na wyświetlaczu F). Druga pokazana na wyświetlaczu wartość D to przedział częstotliwości w jakiej następuje przestrajanie generatora. Obie te wartości wyrażone są w MHz. Po zakończeniu jednego cyklu generatora częstotliwość wyjściowa zmienia się z F do wartości F+D w ciągu N kolejnych kroków trwających po 500us każdy. Ilość kroków potrzebnych do zmiany z częstotliwości F do częstotliwości F+D ustawia się w SETUP-ie w zakresie od 10 do 200. Oznacza to, że generator przyjmuje dyskretne wartości zmieniające się od F do F+D z krokiem D/N a jeden cykl generatora może trwać od 10*500us=5ms do 200*500us=100ms. Podane czasy obowiązują dla zegara 8MHz. Użycie zegara o dwukrotnie większej częstotliwości oczywiście dwukrotnie skróci te czasy. ![]() Rysunek pokazuje jak wykorzystać Tiny DDS z oprogramowaniem wobulatora do budowy najprostszego systemu pomiarowego. Układ Tiny DDS dostarcza dwóch sygnałów: sygnału wcz. oraz sygnału synchroniazcji na wyprowadzeniu O/N. W systemie pomiarowym znajduje się dodatkowo detektor D. Sygnał S dołączony do wejścia synchronizacji zewnętrznej oscyloskopu uruchamia podstawę czasu w oscyloskopie (X). Jednocześnie z krokiem D/N następuje przestrajanie częstotliwości pomiarowej Tiny DDS podawanej na wejście badanego układu (DUT). Na wyjściu badanego układu działa detektor wcz. (D) skąd otrzymuje się napięcie stałe proporcjonalne do wzmocnienia (tłumienia) mierzonego układu na danej częstotliwości. Napięcie to podane na wejście Y oscyloskopu tworzy wykres charakterystyki częstotliwościowej badanego układu. ![]() Pewną odmianą powyższego systemu pomiarowego jest kolejny układ gdzie dodatkowo działa zewnętrzny, wyzwalany generator piłokształtny G zastępujący podstawę czasu w oscyloskopie i dołączony do wejścia wzmacniacza X oscyloskopu. Oczywiście jeśli badany układ (DUT) jest aktywny to wymaga zasilania. Zasilania wymaga również detektor D oraz generator podstawy czasu G. ![]() Detektor zamienia napięcie wcz z wyjścia badanego układu na napięcie stałe podawane na wejście wzmacniacza Y oscyloskopu. Sercem detektora jest dioda szeregowa wcz. z polaryzacją pozwalającą na wielokrotne zwiększenie czułości detekcji. Druga identyczna dioda, zasilana napięciem stałym, tworzy napięcie polaryzujące diodę detekcyjną jednocześnie stabilizując termicznie punkt pracy diody detekcyjnej. Można tu użyć na przykład dwóch diod 1N4148, ja używam diod Schottk'y np. BAT 42 ze względu na niższe napięcie odcięcia. ![]() Jeśli oscyloskop nia ma wyzwalania zewnętrznego podstawy czasu lub żle działa ten typ sterowania wtedy można sterować podstawę czasu za pomocą prostego, wyzwalanego generatora piłokształtnego. Zasada działania układu polega na ładowaniu kondensatora 10uF ze źródła prądowego zbudowanego na tranzystorze pnp. Taki sposób ładowania tworzy na kondesatorze 10u liniowy wzrost napięcia od zera do wartości bliskiej napieciu zasilania z prędkością ustaloną przez rezystor 1K w obwodzie emitera tranzystora pnp. Kolejny, dodatni impuls synchronizacyjny na wejściu S włącza na chwilę tranzystor npn, który w bardzo krótkim czasie rozładowuje kondensator 10u prawie do wartości zerowej. Impuls synchronizacji trwa krótko więc następuje kolejny liniowy cykl ładowania kondensatora 10u a napięcie na nim przyjmuje kształt piły. Dobierając wartość kondensatora 10u oraz potencjometru 1k należy tak ustalić prędkość narastania napięcia na kondensatorze aby nie narastało do wartości maksymalnej wcześniej niż pojawi się kolejny impuls synchronizacyjny. |
wróć do opisu wobulatora |